Печь отопительная АОГТ 02 (400 м куб)
Печь отопительная АОГТ 02
Печь АОГТ 02 предназначена для обогрева бытовых нежилых и промышленных помещений. Печь рассчитана на обогрев помещений объёмом 200 - 400 кубических метров. АОГТ представляет собой тепловой агрегат конвекционного типа с КПД 75-80% и системой длительного горения топлива. Сварная конструкция из особо прочной котловой стали 09Г2С и рассчитана на долговременную эксплуатацию. Для улучшения работы печи и быстрого прогрева помещения рекомендуется устанавливать печь на возвышении от 200 мм. Таким образом обеспечивается максимально эффективная работа конвекционных труб и ускоренный нагрев воздуха.
Две камеры сгорания, нижняя камера газификации и верхняя камера дожига газов, обеспечивают практически полное сгорание топлива и получение максимального количества энергии во время работы печи. Наличие двух регуляторов, регулятора-газификатора и регулятора мощности, позволяет настроить необходимую температуру в помещении и поддерживать её в течение 8-12 часов на одной полной закладке топлива. При правильной настройке печи количество образующейся золы минимально, что облегчает обслуживание печи и уход за ней.
Основные преимущества отопительной печи АОГТ 02
- 01 прочность
Сварная конструкция из особо прочной котловой стали 09Г2С
- 02 надёжность
Тепловой агрегат конвекционного типа с КПД 75-80% и системой длительного горения топлива
- 03компактность
Две камеры сгорания, нижняя камера газификации и верхняя камера дожига газов.
- 04удобство
Печь оборудована двумя регуляторами; на дверце (регулятор мощности( и на дымоходном патрубке сзади печи (регулятор-газификатор)
Основные характеристики отопительной печи АОГТ 02
|
Габаритные размеры (ВхШхГ), мм |
875х640х925 |
|
Объем отапливаемого помещения, м3 |
400 |
|
Мощность, кВт |
12 |
|
Время горения на одной полной закладке топлива, час |
от 8 до 12 |
|
Вид топлива |
Дрова, древесные брикеты |
|
Диаметр загрузочного отверстия, мм |
280 |
|
Диаметр дымохода, мм |
150 |
|
Материал |
Котловая сталь 09Г2С |
|
Масса котла, кг |
95 |
|
Гарантия, мес. |
12 |
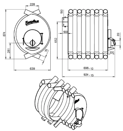
Схема устройства и установки

Рисунок 1. Устройство

Рисунок 2. Габаритные размеры
Комплект поставки:
|
Печь |
1 шт |
|
Зольный ящик |
1 шт |
|
Колосник |
1 шт |
|
Руководство по эксплуатации |
1 шт |
|
Упаковка |
1 шт |
Способы оплаты
- Оплата по выставленному счету на расчётный счет компании (ИП без НДС)
- Онлайн - оплата картой на сайте компании
- Оплата наличными при получении (только в Новосибирске)
- Оплата картой по эквайринговому терминалу при получении (только в Новосибирске)
- Оплата переводом с карты на карту
- Оплата на расчетный счет компании — ИП без НДС
- Оплата на расчетный счет компании — ИП с НДС
- Доставка по г. Новосибирск осуществляется БЕСПЛАТНО при заказе от 5000 руб.*
- Доставка в другие города
- Доставка до транспортной компании