Отопительная печь Батыр 150
Отопительная печь Батыр 150
Отопительная печь «БАТЫР» предназначена для отопления загородного дома, дачи или иного помещения жилого или коммунально-бытового назначения. Печь имеет возможность приготовления пищи на казане объемом до 12 литров. Работает на любом виде твердого топлива* (уголь при использовании комплекта защиты М).
Отопительная печь «БАТЫР» может эксплуатироваться в 3х режимах горения - 1) интенсивный для приготовления пищи, 2) классический для обогрева, 3) режим верхнего (подового) горения для длительной работы.
Основные преимущества отопительной печи Батыр 150
- 01 удобство
Наклонная дверца для удобства загрузки топлива. Работает на любом виде твердого топлива* (уголь при использовании комплекта защиты М)
- 02эффективность
Эффективная работа печи - Две подачи вторичного воздуха, рассекатели топочных газов на пламяотбойнике
- 03 продуманность
Кожух-конвектор - быстрый прогрев помещения, защита от инфракрасного излучения (жара топки)
- 04Практичность
Полноценная варочная поверхность со съемными чугунными кольцами
Основные характеристики отопительной печи Батыр 150
|
Объём отапливаемого помещения, м3 |
от 70 до 150 |
|
Габаритные размеры (ВхШхГ), мм |
503х450х670 |
|
Мощность, кВт |
15 |
|
Диаметр, мм |
115 |
|
Вид топлива |
уголь, дрова, древесные брикеты |
|
Материал топки |
конструкционная сталь |
|
Масса, кг |
78 |
|
Гарантия, лет |
1 |
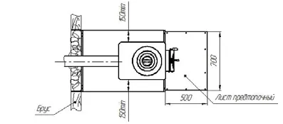
Схема устройства и установки

Рисунок 1. Устройство
Рисунок 2. Рекомендуемая схема установки печи (дымоход внутри помещения)
Рисунок 3. Рекомендуемая схема установки печи (дымоход снаружи помещения)
Комплект поставки:
|
Печь |
1 шт |
|
Ящик зольника |
1 шт |
|
Дверца |
1 шт |
|
Съёмный отбойник |
1 шт |
|
Кочерга |
1 шт |
|
Колосник чугунный 200х300 |
1 шт |
|
Конфорка чугунная |
4 шт |
|
Руководство по эксплуатации |
1 шт |
|
Упаковка котла |
1 шт |
Видеообзор отопительной печи Батыр
Способы оплаты
- Оплата по выставленному счету на расчётный счет компании (ИП без НДС)
- Онлайн - оплата картой на сайте компании
- Оплата наличными при получении (только в Новосибирске)
- Оплата картой по эквайринговому терминалу при получении (только в Новосибирске)
- Оплата переводом с карты на карту
- Оплата на расчетный счет компании — ИП без НДС
- Оплата на расчетный счет компании — ИП с НДС
- Доставка по г. Новосибирск осуществляется БЕСПЛАТНО при заказе от 5000 руб.*
- Доставка в другие города
- Доставка до транспортной компании