Автоматический пеллетный котел ZOTA Pellet 40S кВт
Автоматический пеллетный котел ZOTA Pellet-40S
Котел пеллетный ZOTA Pellet предназначен для теплоснабжения индивидуальных жилых домов и зданий коммунально-бытового назначения, оборудованных системой водяного отопления с принудительной циркуляцией. В котле реализована система погодозависимого регулирования, имеется возможность управления с помощью встроенного программируемого термостата и возможность контролировать и управлять процессом отопления дистанционно с помощью модуля ZOTA GSM и через сеть интернет.
Котел снабжен автоматикой для поддержания установленной температуры теплоносителя и воздуха в помещении, системой безопасности от перегрева котла и проникновения огня в бункер и системой автоматического розжига. Котел снабжен реверсивной автоматической системой защиты от заклинивания шнека при попадании в магистраль подачи топлива инородных предметов. Автоматика котла позволяет отслеживать фактический расход топлива.
Основные преимущества твердотопливного котла Pellet
- 01 топливо
древесные или агропеллеты
- 02 технологичность
управление температурой, мощностью, фиксация фактического расхода топлива за сутки и в течение всего сезона
- 03эффективность
управление котлом через Интернет и мобильные приложения на iOS и Android
- 04 удобство
автоматика работает на поддержание установленной температуры теплоносителя и воздуха
- 05 практичность
управление тремя насосами: центрального отопления, ГВС и рециркуляции
- 06 безопасность
система сигнализации остановки подачи топлива, система пассивной пожарной безопасности препятствует проникновению огня в бункер (достигается применением двушнековой подачи)
-
Основные характеристики твердотопливного котла Pellet
|
Класс котла |
5 |
|
Рабочее давление, бар |
3,0 |
|
Тепловая мощность, Вт |
6-40 |
|
Температура теплоносителя в аппарате не более |
90 |
|
Коэффициент полезного действия, % |
90 |
|
Диаметр дымохода, мм |
180 |
|
Объем водяной рубашки в котле, л |
162 |
|
Объём зольного ящика, л |
11 |
|
Объем бункера, л |
332 |
|
Объём камеры сгорания, л |
102 |
|
Выбросы СО, не более, мг/м3 |
500 |
|
Вид используемого твердого топлива |
Пеллеты, дрова |
|
Приблизительное время работы аппарата от одной полной загрузки древесными пеллетами при минимальной / максимальной мощности, час |
24/158 |
|
Срок гарантии, мес |
12 |
|
Габаритные размеры(ГхШхВ), мм |
1170х1225х1710 |
|
Габариты двери бункера, мм |
530х400 |
|
Габариты двери топки, мм |
410х475 |
|
Масса изделия, кг |
504 |
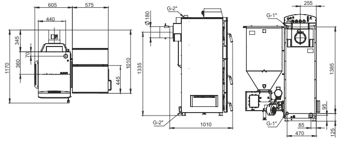
Схема устройства и установки

Рисунок 1. Элементы котла пеллетного

Рисунок 2. Котел отопительный


Рисунок 3. Габаритные размеры

Рисунок 4. Пеллетная горелка с приводом

Рисунок 5. Схемы установки котла

Рисунок 6. Варианты установки дымовой трубы


Рисунок 7. Упрощенная схема подключения котла с узлом рециркуляции


Рисунок 8. Упрощенная схема подключения котла с гидроразделителем, контуром ГВС и теплого пола

Рисунок 9. Расположение органов управления и индикации на передней панели пульта управления
Комплект поставки:
|
Котел водогрейный |
1 шт |
|
Патрубок дымохода
|
1* шт |
|
Колосниковая решетка 400х200 мм
|
2,75* шт |
|
Зольный ящик
|
1 шт |
|
Совок L=500 мм
|
1 шт |
|
Кочерга L=680 мм
|
1 шт |
|
Отражатель чугунный |
1 шт |
|
Ерш для чистки, шт D=52; L=165
|
1 шт |
|
Ручка для ерша, шт L=750
|
1 шт |
|
Тара деревянная
|
1 шт |
|
Пеллетная горелка
|
1 шт |
|
Сапун
|
1 шт |
|
Тара деревянная
|
1 шт |
|
Бункер
|
1 шт |
|
Тара деревянная
|
1 шт |
|
Болт М8х20 ГОСТ 7798-70
|
4 шт |
|
Гайка М8 DIN EN ISO 7040
|
4 шт |
|
Гайка М10 ГОСТ5915-70
|
4 шт |
|
Шайба 6 ГОСТ 11371-78
|
3 шт |
|
Шайба 6 ГОСТ 6402-70
|
3 шт |
|
Болт М6х16 ГОСТ 7798-7
|
3 шт |
|
Шайба 10 ГОСТ 11371-78
|
4 шт |
|
Шайба 10 ГОСТ 6402-70
|
4 шт |
|
Шуруп 3х20 с дюбелем
|
2 шт |
|
Датчик температуры воздуха
|
2 шт |
|
Датчик температуры воды
|
1 шт |
|
Шнур питания
|
1 шт |
| Разьем для подключения насоса |
3 шт |
|
Предохранитель 2А/250В
|
1 шт |
|
Предохранитель 8А/250В
|
1 шт |
|
Трубка подачи вторичного воздуха
|
4 шт |
|
Резиновая прокладка бункера
|
1 шт |
|
Отвертка шлицевая
|
1 шт |
|
Ножка регулируемая
|
1 шт |
|
Секция бункера
|
1* шт |
|
Опора бункера
|
1* шт |
|
Модуль управления Zota GSM Pellet
|
1* шт |
|
Блок ТЭН не более 12 кВт
|
1* шт |
|
Шуровочная решетка
|
1 шт |
|
Руководство по эксплуатации |
1 шт |
* поставляется по отдельному заказу
Способы оплаты
- Оплата по выставленному счету на расчётный счет компании (ИП без НДС)
- Онлайн - оплата картой на сайте компании
- Оплата наличными при получении (только в Новосибирске)
- Оплата картой по эквайринговому терминалу при получении (только в Новосибирске)
- Оплата переводом с карты на карту
- Оплата на расчетный счет компании — ИП без НДС
- Оплата на расчетный счет компании — ИП с НДС
- Доставка по г. Новосибирск осуществляется БЕСПЛАТНО при заказе от 5000 руб.*
- Доставка в другие города
- Доставка до транспортной компании