Чугунная банная печь ЭТНА 18 (ДТ-4С) Закрытая каменка
Чугунная банная печь ЭТНА 18 (ДТ-4С) Закрытая каменка
Чугунная банная печь ЭТНА 18 (ДТ-4С) Закрытая каменка оснащается остеклённой чугунной дверкой ДТ-4С и рассчитана на работу в парной объёмом до 18 кубических метров. С помощью этой модели обеспечивается быстрый равномерный прогрев парной, поддержание необходимой температуры и получение достаточного количества пара. Банная печь ЭТНА 18 (ДТ-4С) Закрытая каменка изготовлена из жаростойкого чугуна (ГОСТ 1412-85) высокого качества. Материал с высокой теплопроводностью, чугун быстро передаёт энергию сжигаемого топлива наружу, в пространство парной. Толщина деталей корпуса составляет 6-8 миллиметров.
Корпус печи состоит из трёх элементов, собираемых на болтовых соединениях. При сборке между элементами корпуса прокладывается термостойкий керамический шнур, предотвращающий прорыв дымовых газов и пламени в помещение. В нижней части топочной камеры размещается чугунный колосник, предназначенный для подачи воздуха на дрова снизу. Для повышения теплоотдачи и максимального использования энергии горения дров в верхней части печи расположен пламегаситель, изменяющий направление движения дымовых газов и обеспечивающий полное сгорание. Чугунная деталь перекрывает прямой путь пламени и газов в дымоход, что улучшает тепловые показатели.
Регулировка скорости горения дров осуществляется за счёт изменения положения зольного ящика, который выполняет функции заслонки для воздушного потока. При закрытом ящике интенсивность поступления воздуха в топку минимальная, при открытом – максимальная. Топочный тоннель из особо прочной стали предназначен для вывода топочной дверцы в смежное с парилкой помещение. Длина тоннеля достаточна для прохождения через стену толщиной 20 сантиметров. Печь ЭТНА 18 (ДТ-4С) Закрытая каменка оснащается верхним патрубком для подключения дымохода. Закрытая каменка изготовлена из особо прочной котловой стали толщиной 2 мм и для загрузки камней, а также подачи воды оснащена собственной дверкой ДП-2. Подача воды на камни осуществляется с помощью специального парогенератора, входящего в комплектацию печи. Парогенератор обеспечивает медленное капельное поступление воды на камни для более эффективного испарения.
Дверка ДТ-4С имеет квадратную форму и оснащена стеклом на передней панели. Стекло изготовлено из керамического сплава, выдерживающего температурные нагрузки до 600 градусов при постоянном нагреве и хорошо переносящего кратковременные перепады температуры (например, попадание воды на стекло). Толщина стекла 4 миллиметра, пространство между стеклом и рамкой герметично заполнено термостойким шнуром. Для устройства наружной открытой каменки печь ЭТНА 18 (ДТ-4С) Закрытая каменка оснащается металлическим кожухом с прорезным рисунком оригинального дизайна. Пространство между печью и кожухом заполняется камнями для бани, которые выполняют роль теплонакопителя, перераспределяют тепло от стенок топки и защищают парящихся от жёсткого инфракрасного излучения. Воду подают на нагретые камни, с которых полученный пар распространяется по всему объёму парной.
Основные преимущества чугунной банной печи ЭТНА 18 (ДТ-4С) Закрытая каменка
- 01 надёжность
Банная печь изготовлена из жаростойкого чугуна (ГОСТ 1412-85) высокого качества, Толщина деталей корпуса составляет 6-8 мм. При сборке между элементами корпуса прокладывается термостойкий керамический шнур.
- 02 эффективность
Чугунный колосник, предназначенный для подачи воздуха на дрова снизу. Пламегаситель, изменяющий направление движения дымовых газов и обеспечивающий полное сгорание. Парогенератор обеспечивает медленное капельное поступление воды на камни для более эффективного испарения
- 03удобство
Топочный тоннель из особо прочной стали предназначен для вывода топочной дверцы в смежное с парилкой помещение. Длина тоннеля достаточна для прохождения через стену толщиной 20 сантиметров. Стекло на топочной дверце позволяет наблюдать за горящим огнём, лучше контролировать процесс горения и делает процесс топки печи более управляемым.
- 04 комфорт
На традиционной открытой каменке удобно запаривать веник. Центральное размещение дымохода облегчает и упрощает его монтаж.
Основные характеристики чугунной банной печи ЭТНА 18 (ДТ-4С) Закрытая каменка
|
Габаритные размеры(ВхШхГ), мм |
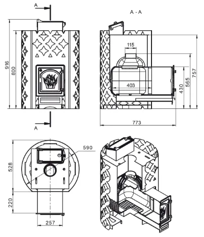
916х590х773 |
|
Объем парильного помещения (min), куб.м. |
8 |
|
Объем парильного помещения (max), куб.м. |
18 |
|
Масса закладываемых камней в открытой каменке, кг |
120 |
|
Масса закладываемых камней в закрытой каменке, кг |
60 |
|
Диаметр дымохода, мм |
120 |
|
Длина топочного тоннеля, мм |
220 |
|
Вид топлива |
Дрова, древесные брикеты |
|
Материал топки |
Жаростойкий чугун (ГОСТ 1412-85) |
|
Толщина стали, мм |
6-8 |
|
Масса изделия, кг |
95 |
|
Срок гарантии, мес |
12 |
Схема устройства и установки

Рисунок 1. Габаритные размеры

Рисунок 2. Возвышение дымовых труб над кровлей

Рисунок 3. Схема сборки труб двухконтурного дымохода
Комплект поставки:
|
Печь банная ETNA™ |
1 шт |
|
Колосниковая решётка |
1 шт |
|
Пламягаситель |
1 шт |
|
Топочная дверь |
1 шт |
|
Зольный ящик |
1 шт |
|
Инструкция по монтажу и эксплуатации |
1 шт |
|
Упаковка |
1 шт |
Видеообзор чугунной банной печи ЭТНА 18 (ДТ-4С) Закрытая каменка
Способы оплаты
- Оплата по выставленному счету на расчётный счет компании (ИП без НДС)
- Онлайн - оплата картой на сайте компании
- Оплата наличными при получении (только в Новосибирске)
- Оплата картой по эквайринговому терминалу при получении (только в Новосибирске)
- Оплата переводом с карты на карту
- Оплата на расчетный счет компании — ИП без НДС
- Оплата на расчетный счет компании — ИП с НДС
- Доставка по г. Новосибирск осуществляется БЕСПЛАТНО при заказе от 5000 руб.*
- Доставка в другие города
- Доставка до транспортной компании
