Чугунная банная печь ЭТНА 24 (Панорама) Закрытая каменка
Чугунная банная печь ЭТНА 24 (Панорама) Закрытая каменка
Чугунная банная печь ЭТНА 24 (Панорама) Закрытая каменка оснащается остеклённой чугунной дверкой Панорама с большой площадью остекления и рассчитана на работу в парной объёмом до 24 кубических метров. С помощью этой модели обеспечивается быстрый равномерный прогрев парной, поддержание необходимой температуры и получение достаточного количества пара. Банная печь ЭТНА 24 (Панорама) Закрытая каменка изготовлена из жаростойкого чугуна (ГОСТ 1412-85) высокого качества. Материал с высокой теплопроводностью, чугун быстро передаёт энергию сжигаемого топлива наружу, в пространство парной. Толщина деталей корпуса составляет 6-8 миллиметров.
Корпус печи состоит из трёх элементов, собираемых на болтовых соединениях. При сборке между элементами корпуса прокладывается термостойкий керамический шнур, предотвращающий прорыв дымовых газов и пламени в помещение. В нижней части топочной камеры размещается чугунный колосник, предназначенный для подачи воздуха на дрова снизу. Для повышения теплоотдачи и максимального использования энергии горения дров в верхней части печи расположен пламегаситель, изменяющий направление движения дымовых газов и обеспечивающий полное сгорание. Чугунная деталь перекрывает прямой путь пламени и газов в дымоход, что улучшает тепловые показатели.
Регулировка скорости горения дров осуществляется за счёт изменения положения зольного ящика, который выполняет функции заслонки для воздушного потока. При закрытом ящике интенсивность поступления воздуха в топку минимальная, при открытом – максимальная. Топочный тоннель из особо прочной стали предназначен для вывода топочной дверцы в смежное с парилкой помещение. Длина тоннеля достаточна для прохождения через стену толщиной 20 сантиметров. Печь ЭТНА 24 (Панорама) Закрытая каменка оснащается верхним патрубком для подключения дымохода. Закрытая каменка изготовлена из особо прочной котловой стали толщиной 2 мм и для загрузки камней, а также подачи воды оснащена собственной дверкой ДП-2. Подача воды на камни осуществляется с помощью специального парогенератора, входящего в комплектацию печи. Парогенератор обеспечивает медленное капельное поступление воды на камни для более эффективного испарения.
Дверка Панорама имеет вытянутую по горизонтали прямоугольную форму и оснащена большим стеклом на передней панели. Стекло изготовлено из керамического сплава, выдерживающего температурные нагрузки до 600 градусов при постоянном нагреве и хорошо переносящего кратковременные перепады температуры (например, попадание воды на стекло). Толщина стекла 4 миллиметра, пространство между стеклом и рамкой герметично заполнено термостойким шнуром. Для устройства наружной открытой каменки печь ЭТНА 24 (Панорама) Закрытая каменка оснащается металлическим кожухом с прорезным рисунком оригинального дизайна. Пространство между печью и кожухом заполняется камнями для бани, которые выполняют роль теплонакопителя, перераспределяют тепло от стенок топки и защищают парящихся от жёсткого инфракрасного излучения. Воду подают на нагретые камни, с которых полученный пар распространяется по всему объёму парной.
Основные преимущества чугунной банной печи ЭТНА 24 (Панорама) Закрытая каменка
- 01 надёжность
Банная печь изготовлена из жаростойкого чугуна (ГОСТ 1412-85) высокого качества, Толщина деталей корпуса составляет 6-8 мм. При сборке между элементами корпуса прокладывается термостойкий керамический шнур.
- 02 эффективность
Чугунный колосник, предназначенный для подачи воздуха на дрова снизу. Пламегаситель, изменяющий направление движения дымовых газов и обеспечивающий полное сгорание. Парогенератор обеспечивает медленное капельное поступление воды на камни для более эффективного испарения
- 03удобство
Топочный тоннель из особо прочной стали предназначен для вывода топочной дверцы в смежное с парилкой помещение. Длина тоннеля достаточна для прохождения через стену толщиной 20 сантиметров. Стекло на топочной дверце позволяет наблюдать за горящим огнём, лучше контролировать процесс горения и делает процесс топки печи более управляемым.
- 04 комфорт
На традиционной открытой каменке удобно запаривать веник. Центральное размещение дымохода облегчает и упрощает его монтаж.
Основные характеристики чугунной банной печи ЭТНА 24 (Панорама) Закрытая каменка
|
Габаритные размеры(ВхШхГ), мм |
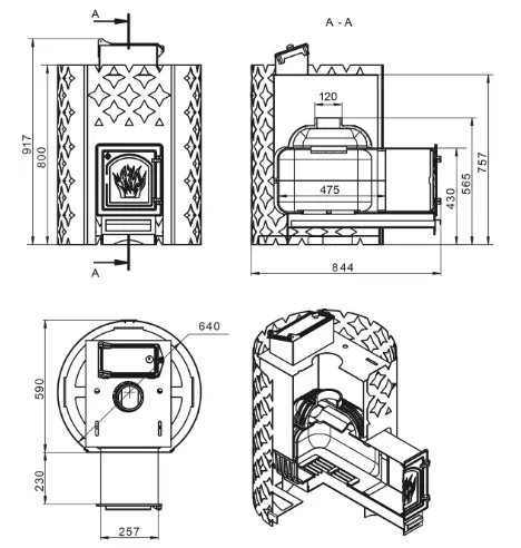
917х640х844 |
|
Объем парильного помещения (min), куб.м. |
12 |
|
Объем парильного помещения (max), куб.м. |
24 |
|
Масса закладываемых камней в открытой каменке, кг |
160 |
|
Масса закладываемых камней в закрытой каменке, кг |
80 |
|
Диаметр дымохода, мм |
120 |
|
Длина топочного тоннеля, мм |
230 |
|
Вид топлива |
Дрова, древесные брикеты |
|
Материал топки |
Жаростойкий чугун (ГОСТ 1412-85) |
|
Толщина стали, мм |
6-8 |
|
Масса изделия, кг |
109 |
|
Срок гарантии, мес |
12 |
Схема устройства и установки

Рисунок 1. Габаритные размеры

Рисунок 2. Возвышение дымовых труб над кровлей

Рисунок 3. Схема сборки труб двухконтурного дымохода
Комплект поставки:
|
Печь банная ETNA™ |
1 шт |
|
Колосниковая решётка |
1 шт |
|
Пламягаситель |
1 шт |
|
Топочная дверь |
1 шт |
|
Зольный ящик |
1 шт |
|
Инструкция по монтажу и эксплуатации |
1 шт |
|
Упаковка |
1 шт |
Видеообзор чугунной банной печи ЭТНА 24 (Панорама) Закрытая каменка
Способы оплаты
- Оплата по выставленному счету на расчётный счет компании (ИП без НДС)
- Онлайн - оплата картой на сайте компании
- Оплата наличными при получении (только в Новосибирске)
- Оплата картой по эквайринговому терминалу при получении (только в Новосибирске)
- Оплата переводом с карты на карту
- Оплата на расчетный счет компании — ИП без НДС
- Оплата на расчетный счет компании — ИП с НДС
- Доставка по г. Новосибирск осуществляется БЕСПЛАТНО при заказе от 5000 руб.*
- Доставка в другие города
- Доставка до транспортной компании
