Банная печь Лава 16 (210) М 2022
Банная печь Лава 16 (210) М 2022
Стальная банная печь серии Лава усовершенствованной конструкции работает на дровах и предназначена для нагрева пространства парной и получения пара. Печь Везувий Лава 16 (210) М 2022 рассчитана на объем парной 8-18 кубометров.
Топка печи изготовлена из особо прочной котловой стали марки 09Г2С. Толщина верхней и задней части 6 мм, толщина боковых стенок 4 мм. Топка имеет скошенные углы в нижней части боковых стенок топки. Такая конструкция облегчает уход за топкой, предотвращает высокую тепловую нагрузку на боковые стенки печи и обеспечивает дополнительную жёсткость стенок. Вместе с тем, данная конструкция стенок предполагает направление дров ближе к колосниковой решётке, что обеспечивает полное прогорание топлива.
В печи обеспечен дожиг вторичных газов посредством широкого П-образного профиля на задней поверхности топки, который, доставляя воздух в зону активного горения, увеличивает КПД печи и дополнительно усиливает заднюю стенку печи.
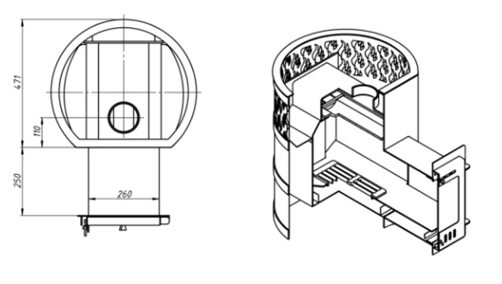
Кожух из стального листа и кованых стальных колец предназначен для обеспечения конвекции устройства открытой каменки и дополнительно защищает парящихся от жёсткого инфракрасного излучения. В верхней части кожуха для усиления движения воздуха сделаны прорезные отверстия в виде языков пламени.
Зольный ящик совкового типа отлично подходит для уборки печи и удаления золы.
Чугунный пламегаситель является съёмным элементом, что облегчает прочистку печи. В то же время, пламегаситель зафиксирован от продольного перемещения, что является гарантией единственно правильного положения элемента в печи.
Основные преимущества печи для бани Лава 16 (210) М 2022
- 01 преимущества
Режим русской бани, мелкодисперсный пар
- 02 надёжность
Печь изготовлена из особо прочной котловой стали 09Г2С толщиной от 4 до 6 мм. Дверка, пламегаситель и колосник изготовлены из чугуна, что увеличивает их прочность и срок службы.
- 03эффективность
В печи обеспечена возможность горения дров в тоннеле.
- 04 практичность
Активное движение воздуха и прогрев расчётного объёма парилки за минимальное время.
- 05продуманность
Конвекционно-вентилируемый кожух вмещающий до 50 кг камней.
Основные характеристики печи для бани Лава 16 (210) М 2022
|
Масса закладываемых камней в открытой каменке, кг |
до 50 |
|
Режим бани |
Русская / Турецкая / Финская |
|
Габаритные размеры (ВхШхГ), мм |
644х528х750 |
|
Объем парильного помещения (min), куб.м. |
8 |
|
Объем парильного помещения (max), куб.м. |
18 |
|
Диаметр дымохода, мм |
115 |
|
Материал топки |
Особо прочная котловая сталь 09Г2С |
|
Вид топлива |
Дрова, древесные брикеты |
|
Масса изделия, кг |
71 |
|
Срок гарантии, мес |
12 |
Схема устройства и установки


Рисунок 1. Схема монтажа печи

Рисунок 2. Схема подключения системы теплообмена

Рисунок 3. Возвышение дымовых труб над кровлей

Рисунок 4. Схема сборки труб «сэндвич»
Рисунок 5. Габаритные размеры.
Комплект поставки:
|
Печь банная |
1 шт |
|
Колосниковая решётка |
1 шт |
|
Пламегаситель (в зависимости от модели) |
1 шт |
|
Топочная дверь |
1 шт |
|
Зольный ящик |
1 шт |
|
Инструкция по монтажу и эксплуатации |
1 шт |
Способы оплаты
- Оплата по выставленному счету на расчётный счет компании (ИП без НДС)
- Онлайн - оплата картой на сайте компании
- Оплата наличными при получении (только в Новосибирске)
- Оплата картой по эквайринговому терминалу при получении (только в Новосибирске)
- Оплата переводом с карты на карту
- Оплата на расчетный счет компании — ИП без НДС
- Оплата на расчетный счет компании — ИП с НДС
- Доставка по г. Новосибирск осуществляется БЕСПЛАТНО при заказе от 5000 руб.*
- Доставка в другие города
- Доставка до транспортной компании

