Чугунная банная печь Былина 12 Ч конвектор
Печь для бани Былина-12 Ч
Внешний вид печи для бани с чугунной топкой Былина-12 Ч выдержан в древнерусском стиле. В оформлении использованы угловые набойки с массивными заклепками, добротные широкие ленты металла окаймляют вместительную каменку, в орнаменте конвектора узнаются элементы художественной ковки и даже очертания звеньев кольчуги.
Былина-12 Ч - честная печь! Толщина корпуса цельнолитой чугунной топки составляет настоящие 10 мм! Чугунные топки для «Былины» произведены из серого чугуна по ГОСТ 1412-85. Классическая внешняя каменка с легкостью вмещает до 55 кг камней. А глубокая топка позволяет использовать дрова длиной до 390 мм.
Еще одной отличительной особенностью печи, без сомнений, стала максимально возможная площадь теплообмена за счет большого количества ребер чугунной топки.
В результате имеем максимально жесткую и действительно прочную печь. На печь можно установить любые стандартные элементы дымохода.
Основные преимущества Банной печи Былина-12 Ч
- 01 вместительность
Глубокая топка - вмещает много дров.
- 02 технологичность
Уникальная форма цельнолитой топки - максимально жёсткая конструкция.
- 03эффективность
Режим русской бани. Настоящий русский пар - прогрев камней до 400°С.
- 04 удобство
На традиционной открытой каменке удобно запаривать веник. Центральное размещение дымохода облегчает и упрощает его монтаж
- 05Практичность
Колосник из литейного чугуна обеспечивает устойчивое горение по всей длине топки.
Основные характеристики Банной печи Былина-12 Ч
|
Масса закладываемых камней во внешнюю каменку, кг |
55 |
|
Максимальная длина полена, мм |
390 |
|
Рекомендуемый режим бани |
Русская |
|
Срок гарантии, лет |
5 |
|
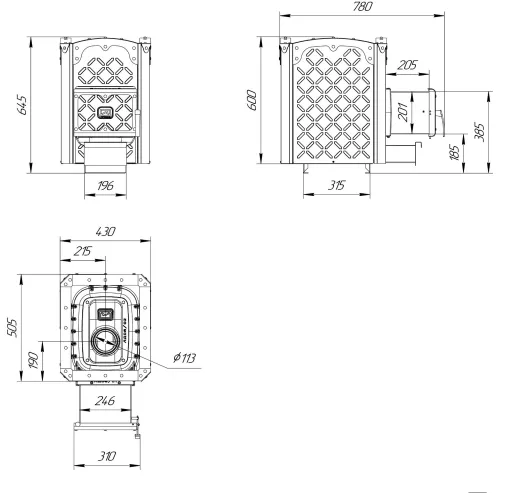
Габаритные размеры(ГхШхВ), мм |
645х430х505 |
|
Объем парильного помещения (min), куб.м. |
4 |
|
Объем парильного помещения (max), куб.м. |
12 |
|
Диаметр дымохода, мм |
115 |
|
Материал |
Чугун |
|
Толщина стали, мм |
10 |
|
Вид топлива |
Дрова, древесные брикеты |
|
Масса изделия, кг |
87 |
Схема устройства и установки

Рисунок 1. Устройство

Рисунок 2. Габаритные размеры

Рисунок 3. Схема установки ниже уровня чистового пола

Рисунок 4. Схема установки печи с кирпичной кладкой

Рисунок 5. Схема установки печи с защитными экранами

Рисунок 6. Схема воздухообмена в парилке
Комплект поставки:
|
Печь |
1 шт |
|
Дверца топливного канала |
1 шт |
|
Ручка дверцы топливного канала |
1 шт |
|
Ось для дверцы топливного канала |
1 шт |
|
Отбойник |
1 шт |
|
Колосник 100х300 |
1 шт |
|
Ящик зольника |
1 шт |
|
Ось механизма запирания |
1 шт |
|
Комплект крепежа |
1 шт |
|
Руководство по эксплуатации |
1 шт |
|
Упаковка |
1 шт |
Видеообзор банной печи Былина-12 Ч
Способы оплаты
- Оплата по выставленному счету на расчётный счет компании (ИП без НДС)
- Онлайн - оплата картой на сайте компании
- Оплата наличными при получении (только в Новосибирске)
- Оплата картой по эквайринговому терминалу при получении (только в Новосибирске)
- Оплата переводом с карты на карту
- Оплата на расчетный счет компании — ИП без НДС
- Оплата на расчетный счет компании — ИП с НДС
- Доставка по г. Новосибирск осуществляется БЕСПЛАТНО при заказе от 5000 руб.*
- Доставка в другие города
- Доставка до транспортной компании