Электрический котел ZOTA Solid-X 133 кВт
Электрический отопительный котел ZOTA 133 Solid-X
Котел электрический отопительный ZOTA «Solid» предназначен для обогрева жилых и производственных помещений, а также нагрева воды для технических целей. Котел должен быть подключен к автономной системе отопления и наполнен теплоносителем. Котел может работать в автоматическом режиме в помещениях с температурой окружающей среды не ниже +1°С и не выше +35°С и влажностью не более 80% при +25°С.
К котлу возможно подключение дополнительного насоса и трехходового клапана, которые могут использоваться для установки в контур горячего водоснабжения, теплого пола или дополнительного контура отопления. 7 уровней защиты: независимый автоматический расцепитель, датчик уровня теплоносителя, датчик температуры теплоносителя, датчик перегрева, автомат защиты сети, датчик рабочей температуры твердотельных реле; датчик предельной температуры твердотельных реле
Основные преимущества Электрического котла ZOTA 133 Solid-X
01 экономичность
интеллектуальная система управления мощностью на основе PID-регулирования сокращает расходы на отопление и обеспечивает поддержание температуры с высокой точностью; теплоизоляция корпуса котла; встроенный хронотермостат (дает возможность работать с многотарифными счетчиками электроэнергии) изменяет мощность котла в зависимости от заданного временного отрезка (активируется при подключении модуля GSM).
02 надежность
твердотельные бесконтактные реле в коммутирующей схеме (срок службы этих реле во много раз выше, чем у электромагнитных, многократно увеличенная надежность, способность переносить перегрузки до 200%, отсутствие помех при коммутации, повышенное быстродействие реле); блоки ТЭН из нержавеющей трубки диаметром 7,4 мм специальной конструкции с пониженной ваттной нагрузкой; ротация ступеней мощности - выравнивание ресурса ТЭНов; расширенный диапазон питающего напряжения; защита блока управления от повышенного напряжения; возможно использование незамерзающих теплоносителей; рабочее давление до 5 атм.; расширенная трехлетняя гарантия.
03эффективность
встроенный хронотермостат (дает возможность работать с многотарифными счетчиками электроэнергии) изменяет мощность котла в зависимости от заданного временного отрезка
04 удобство
каскадное подключение котлов; обновление программного обеспечения; графический дисплей;
05Практичность
самодиагностика неисправностей; управление по температуре теплоносителя и температуре воздуха
06 безопасность
плавная регулировка температуры теплоносителя от +20 до +90°С с возможностью использовать котлы в системе «теплый пол» без дополнительной регулирующей арматуры; 7 уровней защиты: независимый автоматический расцепитель, датчик давления, датчик температуры теплоносителя, датчик перегрева, автомат защиты сети, датчик рабочей температуры твердотельных реле, датчик предельной температуры твердотельных реле.
07Функциональность
модельный ряд от 6 до 133 кВт; от 4 до 9 ступеней мощности; информативный графический дисплей; система самодиагностики неисправностей с выводом кодов ошибок на экран и записью во внутреннюю память контроллера; управление по температуре теплоносителя и температуре воздуха; погодозависимое регулирование; управление циркуляционным насосам; управление приводом трехходового переключающего клапана ZOTA BPV, Fugas для организации работы контура ГВС; возможность самостоятельного обновления программного обеспечения; возможность подключения внешнего комнатного термостата (по “сухому контакту”) дистанционное управление котлом с мобильного телефона или персонального компьютера при помощи GSM / GPRS / Wi-Fi или LAN модуля (опция); дистанционное управление котлом по цифровой шине с использованием протокола OpenTherm; возможность подключения внешнего ИБП для питания цепей контроллера, насоса и клапана ZOTA BPV, Fugas.
Основные характеристики Электрического котла ZOTA 133 Solid-X
|
Ориентировочная отапливаемая площадь, м2 |
1300 |
|
Номинальная потребляемая мощность, кВт |
133,0 |
|
Значение потребляемой мощности по ступеням, кВт |
16-33-50-66-83-100-116-133 |
|
Макс. производительность (КПД), % |
99 |
|
Объем теплоносителя в котле, л |
35 |
|
Номинальное напряжение питания, В |
380 ±10% |
|
Диапазон регулировки температуры теплоносителя, °С |
20-85 |
|
Диапазон регулировки температуры воздуха в помещении, °С |
2-35 |
|
Давление теплоносителя в системе отопления, бар |
0,8-6 |
|
Габаритные размеры, мм |
782x657x498- |
|
Срок гарантии, мес |
36 |
| Размеры присоединения |
2" |
|
Масса НЕТТО/БРУТТО, кг |
93/107 |
Схема устройства и установки


Рисунок 1. Устройство

Рисунок 2. Габаритные размеры

Рисунок 3. Расположение органов управления на передней панели

Рисунок 4. Схема установки котла

Рисунок 5. Управление котлом с помощью горячих клавиш

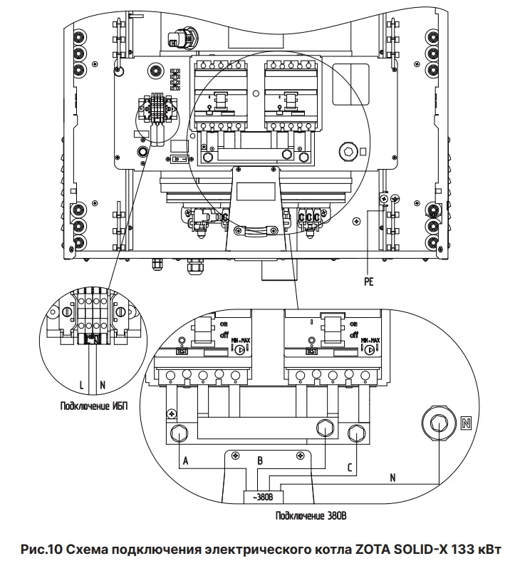
Рисунок 6. Схема подключения котла
Комплект поставки:
|
Котел электрический |
1 шт |
|
Датчик температуры воздуха |
2 шт |
|
Уплотнение кольцевое силиконовое G2 |
1 шт |
|
Инструкция по эксплуатации пульта управления |
1 шт |
|
Предохранитель (2А) |
2 шт |
|
Перемычка межфазная |
1 шт |
|
Отвертка |
1 шт |
|
Кронштейн настенный |
1 шт |
|
Шуруп 6х50 с дюбелем
|
2 шт |
|
Шуруп 3х20 с дюбелем
|
2 шт |
|
Паспорт и инструкция по эксплуатации
|
1 шт |
Поставляется по отдельному заказу:
|
Модуль ZOTA GSM/GPRS Smart SE/MK-S/MK-S Plus/Solid** |
1 шт |
|
Модуль ZOTA LAN Smart SE/MK-S/MK-S Plus/Solid** |
1 шт |
|
Термостат комнатный беспроводной ZOTA ZT-02W |
1 шт |
|
Термостат комнатный беспроводной ZOTA ZT-02W Wi-Fi |
1 шт |
|
Термостат комнатный ZOTA ZT-02H |
1 шт |
|
Клапан приоритета бойлера ГВС ZOTA BPV |
1 шт |
|
Источник питания ZOTA Matrix WT300 (300 Вт, 12В)*** |
1 шт |
|
Аккумулятор батарея ZOTA AGM 65-12**** |
1 шт |
** Устанавливается только один из модулей GSM/GPRS или LAN
***Возможна установка Источника питания Matrix WT500 или Matrix WT600
****Возможна установка ZOTA AGM 40-12 или ZOTA AGM 100-12
Обзорное видео Lux-X, Solid-X часть 1
Способы оплаты
- Оплата по выставленному счету на расчётный счет компании (ИП без НДС)
- Онлайн - оплата картой на сайте компании
- Оплата наличными при получении (только в Новосибирске)
- Оплата картой по эквайринговому терминалу при получении (только в Новосибирске)
- Оплата переводом с карты на карту
- Оплата на расчетный счет компании — ИП без НДС
- Оплата на расчетный счет компании — ИП с НДС
- Доставка по г. Новосибирск осуществляется БЕСПЛАТНО при заказе от 5000 руб.*
- Доставка в другие города
- Доставка до транспортной компании