Электрокаменка SteamFit 3
Электрокаменка SteamFit 3
Домашние электрокаменки для бани прочно вошли в современный быт загородных домов, городских квартир, фитнес и SPA-центров. На нагрев камней в обычных электрокаменках, как правило, уходит до полутора часов, что для современного ритма жизни очень долго. К тому же после каждой подачи воды на камни требуется время, пока они снова наберут необходимую температуру.
Принципиальное отличие электрокаменки SteamFit 3 — наличие скоростного парообразователя, с которым получение пара возможно уже через несколько минут после включения. Парообразователь даёт возможность регулировать влажность в парной, не делая долгих перерывов на догрев после каждой подачи воды.
Основные преимущества электрокаменки SteamFit 3
- 01 удобство
Настенное исполнение экономит место в небольшой парной, большое пространство для закладки камней.
- 02 практичность
Создаёт микроклимат русской бани.
- 03безопасность
Декоративная накладка на каменку защищает от случайных брызг от камней.
- 04преимущества
Применение ТЭНов с увеличенным ресурсом делает возможным применение электрокаменки в фитнес и SPA-центрах.
Основные характеристики электрокаменки SteamFit 3
|
Тип нагревателя |
ТЭН-220-2,67-10-2470 М4 |
|
Напряжение, V |
380 |
|
Мощность, кВт |
8 |
|
Срок гарантии, лет |
1 |
|
Габаритные размеры(ГхШхВ), мм |
560х400х240 |
|
Паропроизводительность, л/час |
5 |
|
Температура генерируемого пара с парообразователя,°С |
350 |
|
Температура генерируемого пара с камней,°С |
250 |
|
Масса загружаемых камней, кг |
35 |
|
Масса изделия, кг |
15,5 |
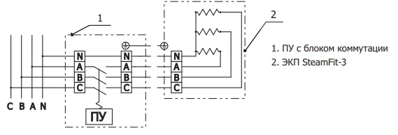
Схема устройства и установки


Рисунок 1. Устройство

Рисунок 2. Габаритные размеры

Рисунок 3. Расположение в парильном помещении

Рисунок 4. Схема подключения к к трехфазной сети

Рисунок 5. Схема электрического подключения
Комплект поставки:
|
Электрокаменка |
1 шт |
|
Ввод кабельный |
1 шт |
|
Экран |
1 шт |
|
Шуруп-саморез |
4 шт |
|
Пакет грипперный |
1 шт |
|
Пакет Теплодар |
1 шт |
|
Руководство по эксплуатации |
1 шт |
Способы оплаты
- Оплата по выставленному счету на расчётный счет компании (ИП без НДС)
- Онлайн - оплата картой на сайте компании
- Оплата наличными при получении (только в Новосибирске)
- Оплата картой по эквайринговому терминалу при получении (только в Новосибирске)
- Оплата переводом с карты на карту
- Оплата на расчетный счет компании — ИП без НДС
- Оплата на расчетный счет компании — ИП с НДС
- Доставка по г. Новосибирск осуществляется БЕСПЛАТНО при заказе от 5000 руб.*
- Доставка в другие города
- Доставка до транспортной компании