Электропарообразователь SteamCity 2,7
Электропарообразователь SteamCity 1
Оборудуя парную сауны обычной электрокаменкой, люди лишают себя всех прелестей настоящей русской бани — качественно попариться в такой парной вряд ли удастся. Любителям настоящей русской бани приходит на помощь электропарообразователь SteamCity 1 — электрический прибор для создания микроклимата русской бани. В парной с установленным SteamCity создается ощущение присутствия в русской бане — очень лёгкий невидимый пар и относительно невысокая, комфортная температура парной. Всего через 3-5 минут после включения температура в камерах парообразования достигает 650°С, и вода, поступающая через регулируемый дозатор из встроенной ёмкости, начинает превращаться в пар.
Электропарообразователь SteamCity 1 может самостоятельно обогревать небольшие парные. В парных до 20 м³ может применяться и в дополнение к основной электрокаменке. При этом SteamCity полностью забирает на себя процесс парообразования и, тем самым, снимает нагрузку с ТЭНов основной каменки, что значительно продлевает их ресурс. Простота использования и чистки. Электрическая печь для бани SteamCity идеально подходит для принятия SPA-процедур и ароматерапии в домашних условиях. Он не требует специального ухода или чистки.
Основные преимущества Электропарообразователя SteamCity 1
- 01 удобство
Встроенный бак для воды с рукояткой регулировки интенсивности подачи.
- 02 эффективность
Создаёт микроклимат русской бани.
- 03практичность
Простота использования и чистки.
- 04преимущества
Может работать в дополнение к основной электрокаменке, чем значительно продлевает её ресурс.
Основные характеристики Электропарообразователя SteamCity 1
|
Тип нагревателя |
трубчатый электронагреватель |
|
Напряжение, V |
220 |
|
Мощность, кВт |
2,6 |
|
Срок гарантии, лет |
1 |
|
Габаритные размеры(ГхШхВ), мм |
700х400х150 |
|
Паропроизводительность, л/час |
3 |
|
Температура генерируемого пара,°С |
200 |
|
Объем бака, л |
5 |
|
Объем парного помещения, где ЭП единственный источник нагрева, м3 |
4 |
|
Масса изделия, кг |
11,5 |
Схема устройства и установки

Рисунок 1. Устройство


Рисунок 2. Расположение в парильном помещении

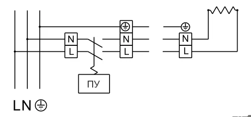
Рисунок 4. Схема подключения к сети

Рисунок 5. Схема электрического подключения
Комплект поставки:
|
Электропарообразователь |
1 шт |
|
Заготовка гильзы защитной хомута подводящего кабеля |
1 шт |
|
Игла дозатора в комплекте с уплотнительным кольцом |
1 шт |
|
Упаковка |
1 шт |
|
Руководство по эксплуатации |
1 шт |
Способы оплаты
- Оплата по выставленному счету на расчётный счет компании (ИП без НДС)
- Онлайн - оплата картой на сайте компании
- Оплата наличными при получении (только в Новосибирске)
- Оплата картой по эквайринговому терминалу при получении (только в Новосибирске)
- Оплата переводом с карты на карту
- Оплата на расчетный счет компании — ИП без НДС
- Оплата на расчетный счет компании — ИП с НДС
- Доставка по г. Новосибирск осуществляется БЕСПЛАТНО при заказе от 5000 руб.*
- Доставка в другие города
- Доставка до транспортной компании