Газовая горелка Сахалин-3, 26 кВт, энергонезависимое
Газовая горелка САХАЛИН-1, 26 кВт, энергозависимое, ДУ
Газовая горелка с энергозависимым устройством автоматического регулирования подачи газа и пультом управления с питанием от электросети (220В) мощностью 26 кВт
Новое газогорелочное устройство (ГГУ) «Сахалин-3» специально спроектировано для обеспечения работы на газе водогрейных котлов «Оптимус». Перевод котла с твердого топлива на газ осуществляется путем установки этой горелки в топливник печи. Газовая горелка легко монтируется вместо его нижней дверцы. Также данное ГГУ может приобретаться для замены горелок, входящих в комплект поставки котлов «Оптимус Газ». Важно отметить, что горелка «Сахалин-3» может использоваться для котлов иных производителей, если эти устройства сертифицированы для работы на газообразном топливе и ГГУ совместимо с ними по конструктиву крепления и габаритам. ГГУ «Сахалин-3» разработано на базе итальянской автоматики концерна «SIT Group», который заслуженно считается лидером в производстве газового оборудования.
Запуск нового ГГУ производится с помощью пьезорозжига. Газ к трубчатым горелкам подается через газовый коллектор, подключенный к электромагнитному газовому клапану (ЭГК). ЭГК представляет собой устройство для ручной регулировки подачи газа и его отключения в случае возникновения аварийных ситуаций. При погасании пламени на запальной горелке, при засорении дымохода (нарушении тяги), при аварийном отключении газа его подача в горелку сразу же прекращается. Таким образом, безопасность работы горелки обеспечивается датчиком тяги и электромагнитным клапаном. Кроме того, с помощью поворота ручки на ЭГК потребитель может регулировать интенсивность горения для поддержания комфортной температуры.
Основные преимущества
газовой горелки Сахалин-3
- 01 надежность
Пульт дистанционного управления позволяет легко поддерживать заданную температуру в помещении
- 02 технологичность
Встроенный газовый редуктор, обеспечивающий возможность модулирования пламени горелки, позволяет создать комфортную температуру
- 03надежность
Газовые горелки разработаны на базе итальянской автоматики концерна SIT, который заслуженно считается одним из лидеров в производстве газового оборудования. Надежность оборудования подтверждена обязательной сертификацией
- 04 безопасность
работы горелки обеспечивает автоматика
Основные характеристики
газовой горелки Сахалин-3
|
Вид топлива |
Газ |
|
Масса изделия, кг |
5,3 |
|
Мощность, кВт |
26 |
|
Срок гарантии, мес |
12 |
|
Габаритные размеры (ДхШхВ), мм |
502 х 300 х 273 |
|
Длина горелок, мм |
359 |
|
Количество горелок |
2 |
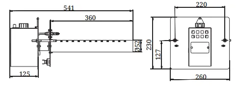
Схема устройства и установки

Рисунок 1. Габаритно-монтажные размеры

Рисунок 2. Составные части и порядок сборки
Комплект поставки:
|
Руководство по эксплуатации |
1 шт |
|
Упаковка |
1 шт |
| Газовый клапан (в сборе) |
1 шт |
|
Запальная горелка (в сборе) |
1 шт |
|
Кожух |
1 шт |
|
Жиклер ф3,0 |
2 шт |
|
Жиклер ф2,2
|
2 шт |
|
Гайка М3 |
2 шт |
|
Гайка М4 |
8 шт |
|
Гайка М5
|
6 шт |
|
Гайка М8 (барашковая) |
2 шт |
|
Винт М3х10 |
2 шт |
|
Винт М4х12
|
8 шт |
|
Винт М5х12 |
6 шт |
|
Контргайка 15 |
1 шт |
|
Шайба 8
|
2 шт |
|
Крепление горелки |
2 шт |
|
Шайба пружинная (гровер) 8 |
2 шт |
|
Газовый коллектор
|
1 шт |
|
Стенка лицевая |
1 шт |
|
Стенка фронтальная |
1 шт |
|
Термопрерыватель (в сборе)
|
1 шт |
|
Датчик тяги 95С (с проводом и клеммам) |
1 шт |
|
Кабель (пьезо) L=400 мм
|
1 шт |
|
Газопровод запальной горелки |
1 шт |
|
Трубчатая горелка
|
2 шт |
Способы оплаты
- Оплата по выставленному счету на расчётный счет компании (ИП без НДС)
- Онлайн - оплата картой на сайте компании
- Оплата наличными при получении (только в Новосибирске)
- Оплата картой по эквайринговому терминалу при получении (только в Новосибирске)
- Оплата переводом с карты на карту
- Оплата на расчетный счет компании — ИП без НДС
- Оплата на расчетный счет компании — ИП с НДС
- Доставка по г. Новосибирск осуществляется БЕСПЛАТНО при заказе от 5000 руб.*
- Доставка в другие города
- Доставка до транспортной компании