Каминная стальная топка Альфа 1000 R два стекла правая
Каминная стальная топка Альфа 1000 R два стекла правая
Каминная стальная топка Альфа 1000 R два стекла правая - это топка, которая применяется для обогрева жилых помещений, в режиме непрерывной эксплуатации от 6 до 24 часов в зависимости от режима горения. Периодичность закладки дров с интервалом 45-90 мин. В экономичном режиме горения интервал закладки дров может быть от 3 до 5 часов. В качестве топлива применяются сухие дрова с влажностью не более 18%.
Все топки разработаны таким образом, что их можно топить, с открытой и закрытой дверцей топки, независимо от наличия или отсутствия подъемного механизма. Мы рекомендуем топить топку с закрытой дверцей, в этом случае вы получаете максимальную тепловую эффективность и безопасность.
Основные преимущества каминной топки Альфа
- 01 ДИЗАЙН
Большое стекло позволяет наблюдать за процессом горения с двух сторон
- 02 технологичность
В экономичном режиме горения интервал закладки дров может быть от 3 до 5 часов
- 03эффективность
Теплопроизводительность камина (мощность) регулируется путем изменения подачи количества воздуха в топочную камеру, через систему подачи воздуха на горение, систему очистки стекла, системой вторичного дожигания, а также увеличением/ уменьшением сечения дымового канала путем регулирования шиберной заслонкой и количеством дров
- 04 удобство
Топки серии «Альфа» оборудованы эффективной системой очистки стекла. Вместе с тем, постепенное загрязнение жаропрочного стекла является естественным процессом
- 05надежность
Совершенное качество материалов и сборки - в производстве используются высококачественная сталь и шамот, импортные комплектующие и термостойкая японская керамика Printing с тонированной линией по периметру дверцы
- 06 продуманность
В комплекте поставляются ножки для установки каминной топки в рабочее положение. Отрегулировать нужную вам высоту топки можно при помощи болтов находящихся в нижней части топки.
- 07 долговечность
Чугунный патрубок надежен и долговечен, позволяет подключить топку к дымоходу без особых усилий
- 08 универсальность
Адаптирована под любые виды каминных облицовок данного типоразмера
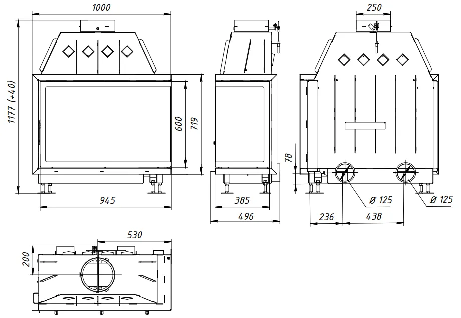
Основные характеристики каминной топки Альфа
|
Габариты (Г х Ш х В)
|
495 х 1011 х 1291 |
|
Диаметр дымохода, мм |
250 |
|
Масса изделия, кг |
200 |
|
Площадь отапливаемого помещения,м2 |
60-140 |
|
Вид топлива |
Дрова |
|
Гарантийный срок, мес |
36 |
|
Мощность, кВт |
10-22 |
|
Материал топки, мм |
Сталь |
|
Материал футеровки, мм |
Литьевой шамот |
|
Максимальная длина полена, мм |
500 |
|
Размеры топочной дверцы, мм |
600х945 |
|
Система "чистое стекло" |
Да |
Схема устройства и габаритные размеры

Рисунок 1. Габаритные размеры

Рисунок 2. Основные элементы


Рисунок 3. Схемы расположения камина

Рисунок 4. Схема расположения противопожарных элементов
Комплект поставки:
|
Топка |
1 шт |
|
Инструкция по монтажу и эксплуатации |
1 шт |
Способы оплаты
- Оплата по выставленному счету на расчётный счет компании (ИП без НДС)
- Онлайн - оплата картой на сайте компании
- Оплата наличными при получении (только в Новосибирске)
- Оплата картой по эквайринговому терминалу при получении (только в Новосибирске)
- Оплата переводом с карты на карту
- Оплата на расчетный счет компании — ИП без НДС
- Оплата на расчетный счет компании — ИП с НДС
- Доставка по г. Новосибирск осуществляется БЕСПЛАТНО при заказе от 5000 руб.*
- Доставка в другие города
- Доставка до транспортной компании