Чугунная каминная топка Dagmar
Каминная топка чугунная Dagmar
Каминная топка Дагмар от известной российской компании «FireWay» изготовлена из высококачественного чугуна и соответствует современным требованиям отечественных и европейских стандартов качества и безопасности. Топка с шиберной заслонкой. Загрузка дров фронтальная
Модель характеризуется высокими показателями коэффициента полезного действия (75%) и тепловой мощности (10 кВт), что позволяет прибору в сжатый период времени прогреть воздух в помещении площадью до 100 кв.м. (при стандартной высоте 2,5м). Рекомендуемое топливо – дрова с допустимым процентом влажности 20%, возможно использовать древесные брикеты.
Основные преимущества каминной топки Dagmar
- 01 эффективность
подвод воздуха осуществляется в верхнюю часть топки извне, задняя стенка – двойная
- 02 удобство
компактные размеры, простота в установке
- 03долговечность
вовсе элементы окрашены термостойкой кремнийорганической эмалью цвета «антрацит»
- 04 практичность
большое огнестойкое стекло изнутри обдувается потоком воздуха и не подвержено запотеванию и засаживанию
- 05экономия
экономичный расход топлива
- 06 топка оборудована
поворотной шиберной заслонкой, зольным ящиком и дефлектором
Основные характеристики каминной топки Dagmar
|
Объем отапливаемого помещения, куб.м. |
200 |
|
Мощность, кВт |
10 |
|
Срок гарантии, мес |
60 |
|
Габаритные размеры(ВхГхШ), мм |
650х360х660 |
|
Диаметр дымохода, мм |
180 |
|
Материал топки |
Чугун СЧ20 |
|
КПД, % |
75 |
|
Размер стекла топочной дверцы, мм |
504х318х5 |
|
Вид топлива |
Дрова, брикеты |
|
Масса изделия, кг |
84 |
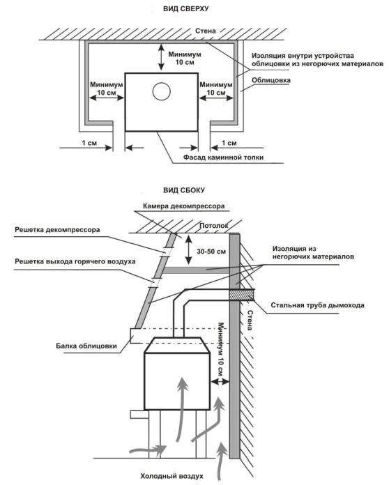
Схема устройства и установки

Рисунок 1. Габаритные размеры

Рисунок 2. Регулировка воздуха

Рисунок 3. Высота дымохода


Рисунок 4. Примерный способ установки
Способы оплаты
- Оплата по выставленному счету на расчётный счет компании (ИП без НДС)
- Онлайн - оплата картой на сайте компании
- Оплата наличными при получении (только в Новосибирске)
- Оплата картой по эквайринговому терминалу при получении (только в Новосибирске)
- Оплата переводом с карты на карту
- Оплата на расчетный счет компании — ИП без НДС
- Оплата на расчетный счет компании — ИП с НДС
- Доставка по г. Новосибирск осуществляется БЕСПЛАТНО при заказе от 5000 руб.*
- Доставка в другие города
- Доставка до транспортной компании