Каминная стальная топка ВЕГА 1000 KB черный шамот
Каминная стальная топка ВЕГА 1000 KB черный шамот
Каминная стальная топка ВЕГА 1000 KВ - это сплав наших знаний о современных Европейских тенденциях в области создания каминных топок и требований отечественного покупателя к удобству эксплуатации, внешнему виду и надежности камина. Наши топки принесут в ваш дом атмосферу комфорта, и отлично впишутся в любой интерьер. Мы производим каминные топки из высококачественной котельной стали и наносим термостойкое лакокрасочное покрытие с антикоррозийными свойствами.
Топки серии ВЕГА имеют следующие конструктивные особенности: топочная камера футерована современным материалом - литьевым шамотом и надежно защищает металлические детали корпуса топки от перегрева. Жаропрочное стекло из Японии способно выдерживать температуру до 750 С. Ребра жесткости по всему корпусу топки и встроенные в дымосборник тепловые каналы позволяют снимать больше тепла и отдавать его в помещение путем конвекции. Бесшумная и надежная тросовая система с противовесом и жаропрочными подшипниками, позволяет открывать дверцу топки вверх и производить закладку дров в топочную камеру.
Основные преимущества каминной топки Вега
- 01 ДИЗАЙН
Большое стекло позволяет наблюдать за процессом горения
- 02 технологичность
Система забора воздуха извне, имеет два встроенных патрубка диаметром 125 мм для подключения забора воздуха на горение из соседнего помещения, улицы, подвала, и повышает надежность работы топки.
- 03эффективность
Система тепловой разводки имеет два встроенных патрубка диаметром 125 мм для подключения системы распределения теплого воздуха в смежные помещения и позволяет увеличить площадь обогреваемых помещений
- 04 удобство
Система очистки стекла эффективно очищает жаропрочное стекло и позволяет любоваться красотой огня
- 05экономичность
Система вторичного дожига увеличивает КПД топки и позволяет экономить дрова
- 06 продуманность
В комплекте поставляются ножки для установки каминной топки в рабочее положение. Отрегулировать нужную вам высоту топки можно при помощи болтов находящихся в нижней части топки.
- 07 безопасность
Высокий дымосборник и пламярассекатель не позволяют дымовым газам попадать в помещение при открывании дверцы.
- 08 универсальность
Адаптирована под любые виды каминных облицовок данного типоразмера
Основные характеристики каминной топки Вега
|
Габариты (Г х Ш х В)
|
560 х 1065 х 1510 |
|
Диаметр дымохода, мм |
250 |
|
Масса изделия, кг |
322 |
|
Площадь отапливаемого помещения,м2 |
65-150 |
|
Вид топлива |
Дрова |
|
Гарантийный срок, мес |
36 |
|
Мощность, кВт |
11-25 |
|
Материал топки, мм |
Сталь |
|
Материал футеровки, мм |
Литьевой шамот черный |
|
Максимальная длина полена, мм |
600 |
|
Размеры топочной дверцы, мм |
500х900 |
|
Система "чистое стекло" |
Да |
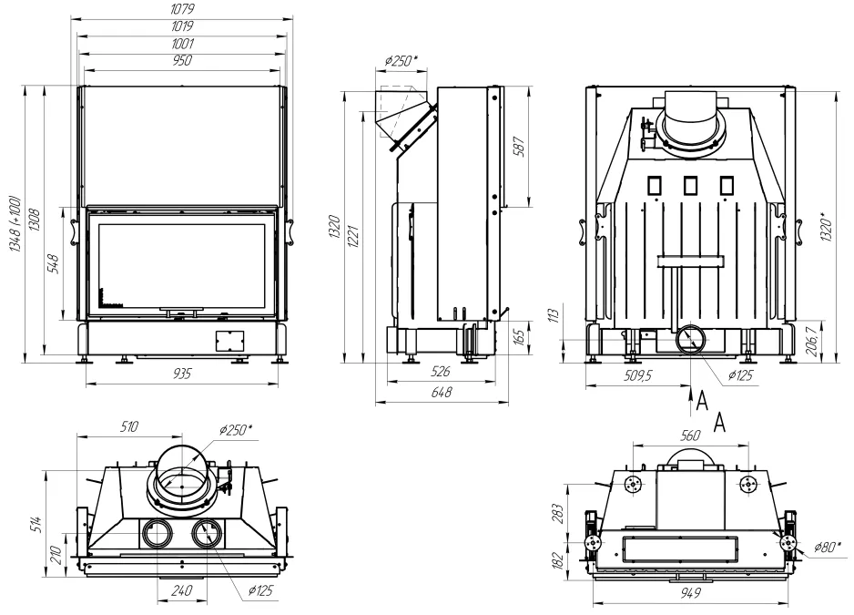
Схема устройства и габаритные размеры

Рисунок 1. Габаритные размеры

Рисунок 2. Схема разводки теплого воздуха


Рисунок 3. Схемы расположения камина

Рисунок 4. Схема расположения противопожарных элементов
Комплект поставки:
|
Топка |
1 шт |
|
Инструкция по монтажу и эксплуатации |
1 шт |
Способы оплаты
- Оплата по выставленному счету на расчётный счет компании (ИП без НДС)
- Онлайн - оплата картой на сайте компании
- Оплата наличными при получении (только в Новосибирске)
- Оплата картой по эквайринговому терминалу при получении (только в Новосибирске)
- Оплата переводом с карты на карту
- Оплата на расчетный счет компании — ИП без НДС
- Оплата на расчетный счет компании — ИП с НДС
- Доставка по г. Новосибирск осуществляется БЕСПЛАТНО при заказе от 5000 руб.*
- Доставка в другие города
- Доставка до транспортной компании