Панель управления электросауной Zota ЭВТсц - И1 (до 12 кВт)
Панель управления электросауной Zota ЭВТсц - И1 (до 12 кВт)
Панель управления ПУ ЭВТсц-И1, предназначена для управления электронагревателями мощностью до 24 кВт, применяемых в электросаунах и является комплектующим изделием электросаун всех типов указанной мощности. Питание панели осуществляется от источника трехфазного переменного тока напряжением 380 вольт частотой 50 Гц с глухозаземленной нейтралью.
Отклонение напряжения питания от номинального значения в пределах +/- 10% от Uн. Панель расчитана на управление электронагревателем с рабочим напряжением 380 вольт, мощностью до 24 кВт.
Основные преимущества панели управления ЭВТсц - И1
- 01 точность
поддерживания температуры внутри помещения не менее 3°С
- 02 технологичность
контроль текущей температуры с помощью цифрового индикатора температуры
- 03эффективность
отключение электронагревателя через 8 часов непрерывной работы
- 04 удобство
поддержание заданного температурного режима внутри помещения в диапазоне температур от 60° до 120°С
- 05безопасность
отключение электронагревателя при перегрузке и коротком замыкании в нагрузке
Основные характеристики панели управления ЭВТсц - И1
|
Время беспрерывной работы, час |
8 |
|
Рабочее положение в пространстве |
Вертикальное |
|
Диапазон температурного режима внутри помещения, градус Цельсия |
60-120 |
|
Срок гарантии, мес |
36 |
|
Питание, В |
380 |
|
Масса изделия, кг |
1,5 |
Схема устройства и установки


Рисунок 1. Габаритные размеры и расположение органов управления панели


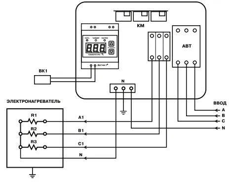
Рисунок 2. Схема подключения панели управления
Комплект поставки:
|
Панель ПУ ЭВТсц-И1 |
1 шт |
|
Датчик температуры воздуха |
1 шт |
|
Потребительская тара |
1 шт |
|
Паспорт |
1 шт |
Способы оплаты
- Оплата по выставленному счету на расчётный счет компании (ИП без НДС)
- Онлайн - оплата картой на сайте компании
- Оплата наличными при получении (только в Новосибирске)
- Оплата картой по эквайринговому терминалу при получении (только в Новосибирске)
- Оплата переводом с карты на карту
- Оплата на расчетный счет компании — ИП без НДС
- Оплата на расчетный счет компании — ИП с НДС
- Доставка по г. Новосибирск осуществляется БЕСПЛАТНО при заказе от 5000 руб.*
- Доставка в другие города
- Доставка до транспортной компании