Пульт управления электрокаменкой Norma AIR Теплодар
Пульт управления электрокаменкой Norma AIR Теплодар
Пульт управления предназначен для регулирования температуры в парильном помещении, управляя работой ТЭН, а также для автоматического выключения электрокаменки после 6 часов работы.
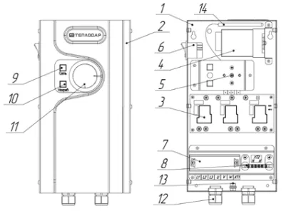
Пульт управления состоит из монтажной панели и лицевой панели. На монтажной панели размещены плата управления, реле времени, термостат, выключатель, клеммная колодка, нулевая шина. На лицевой панели пульта выведена световая индикация, регулятор температуры.
Основные характеристики пульта управления электрокаменкой Norma AIR
|
Габариты (ВхШхГ), мм |
340х178х92 |
|
Мощность электрокаменки при трехфазном подключении, не более |
18 |
|
Мощность электрокаменки при однофазном подключении, не более |
6 |
|
Номинальное напряжение |
230/380 |
|
Диапазон регулирования температуры, ºС |
30-120 |
|
Время непрерывной работы электрокаменки, час |
6 |
|
Степень защиты корпуса ПУ |
IP30 |
|
Класс электробезопасности по ГОСТ 12.2.007.0-75 |
I |
Схема устройства и установки


Рисунок 1. Устройство

Рисунок 2. Места крепления ПУ к стене

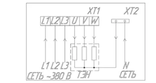
Рисунок 3. Пример трехфазного подключения

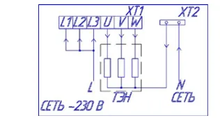
Рисунок 4. Пример однофазного подключения
Комплект поставки:
|
Пульт управления «Norma AIR» |
1 шт |
|
Дюбель-шуруп 6х30 |
4 шт |
|
Ключ-шестигранник sw2.5 |
1 шт |
|
Заглушка |
1 шт |
|
Упаковка |
1 шт |
|
Руководство по эксплуатации |
1 шт |
Способы оплаты
- Оплата по выставленному счету на расчётный счет компании (ИП без НДС)
- Онлайн - оплата картой на сайте компании
- Оплата наличными при получении (только в Новосибирске)
- Оплата картой по эквайринговому терминалу при получении (только в Новосибирске)
- Оплата переводом с карты на карту
- Оплата на расчетный счет компании — ИП без НДС
- Оплата на расчетный счет компании — ИП с НДС
- Доставка по г. Новосибирск осуществляется БЕСПЛАТНО при заказе от 5000 руб.*
- Доставка в другие города
- Доставка до транспортной компании