Печь-камин Бавария 12
Печь-камин БАВАРИЯ 12
Корпус печи-камина Бавария 12 выполнен из стали и облицован декоративной керамикой. Стальные печи быстро прогревают воздух в помещении. Начинают давать тепло уже через 15 минут после растопки. Термостойкий материал внутри топочной камеры - шамот. Он принимает основную температурную нагрузку.
Огнеупорное стекло, а точнее, стеклокерамика легко выдерживает температуру до 750°C. Несмотря на то, что материал прочнее обычного оконного стекла, рекомендуется соблюдать с ним такую же осторожность - стекло может треснуть или разбиться. В этой печи использовано прямое остекление.
Основные преимущества печи-камина БАВАРИЯ
- 01 Комфортность
Атмосфера, которая царит в комнате с работающей печью очаровывает. Изменчивые огненные пейзажи за остекленной дверцей, театр теней на стенах, дразнящие воображение запахи и звуки - печь камин по волшебству преображает привычные домашние декорации, добавляя загадочности и уюта.
- 02 Удобство
На варочной поверхности, которая разогревается до 200°С, можно вскипятить воду, разогреть или поджарить пищу
- 03 Технологичность
Благодаря топке с двойными стенками корпус печи-камина защищен от перегрева и деформации
- 04 эффективность
Наряду с лучистым теплом через прозрачное стекло дает преимущественно (до 70%) конвекционного тепла
- 05Практичность
Для печи не нужно строить фундамент. Достаточно положить под дно лист из жаропрочной стали с изоляцией или огнеупорную плиту, это защитит от возгорания и распределит вес конструкции по полу, плюс снизит нагрузку на перекрытия
- 06 дизайн
Через стекло в дверце печи-камина удобно присматривать за огнем, да и просто любоваться затейливыми играми пламени
- 07 долговечность
Через несколько лет интенсивного использования шамотный кирпич внутри топки можно заменить, не придется покупать новую печь.
Характеристики печи-камина БАВАРИЯ
|
Габариты (Г х Ш х В)
|
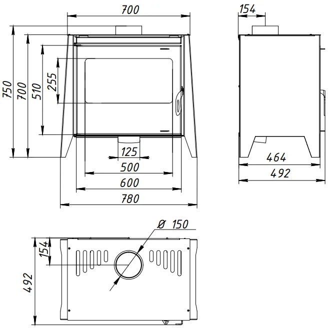
492 х 780 х 750 |
|
Глубина топочной камеры, мм |
500 |
|
Диаметр дымохода, мм |
150 |
|
Масса печи, кг |
126 |
|
Объем отапливаемого помещения,м3 |
135-240 |
|
Площадь обогрева, м2 |
55-100 |
|
Вид топлива |
Дрова |
|
Гарантийный срок, мес |
24 |
|
Материал топки |
Сталь |
|
Футеровка |
Шамотный кирпич |
|
Мощность, кВт |
12 |
|
Варочная плита |
Нет |
|
Система "Чистое стекло" |
Да |
Схема устройства и установки

Рисунок 1. Габаритные размеры


Рисунок 2. Схемы расположения печи-камина возле стен из горючего материала


Рисунок 3. Схемы расположения печи-камина возле стен из негорючего материала

Рисунок 4. Схема противопожарной защиты элементов
Видео
Способы оплаты
- Оплата по выставленному счету на расчётный счет компании (ИП без НДС)
- Онлайн - оплата картой на сайте компании
- Оплата наличными при получении (только в Новосибирске)
- Оплата картой по эквайринговому терминалу при получении (только в Новосибирске)
- Оплата переводом с карты на карту
- Оплата на расчетный счет компании — ИП без НДС
- Оплата на расчетный счет компании — ИП с НДС
- Доставка по г. Новосибирск осуществляется БЕСПЛАТНО при заказе от 5000 руб.*
- Доставка в другие города
- Доставка до транспортной компании