Полуавтоматический твердотопливный котел ZOTA Magna 15 кВт
Полуавтоматический твердотопливный котел ZOTA Magna-15
Котел полуавтоматический твердотопливный отопительный Magna с водяным контуром, предназначен для теплоснабжения индивидуальных жилых домов и зданий коммунально-бытового назначения, оборудованных системой водяного отопления с принудительной циркуляцией. Котел должен устанавливаться в закрытом помещении, оборудованном приточно-вытяжной вентиляцией. Система вентиляции должна учитывать индивидуальные особенности помещения котельной и обеспечивать нормальную работу котла.
В котле предусмотрена возможность установки нагревательного элемента (блока ТЭН). Котел поставляется с заводскими настройками, которые обеспечивают эффективное сгорание угля. Котел позволяет управлять циркуляционным насосом контура отопления, рециркуляции, горячего водоснабжения. К котлу можно подключить трехходовой клапан для управления дополнительным контуром и вытяжной вентилятор. Имеется возможность удалённого управления режимами работы котла с помощью мобильного телефона через службу коротких сообщений (SMS), мобильного приложения (Zota Net) или сайт (control.zota.ru). Для этого необходимо дополнительно установить модуль GSM/GPRS или LAN который не входит в комплект поставки и приобретается отдельно.
Основные преимущества твердотопливного котла Magna
- 01 пульт управления
и датчики - штатная и неотъемлемая часть котла
- 02 технологичность
большой объем загружаемого топлива/удобство загрузки – наклонная дверь
- 03эффективность
пульт котла может служить единым диспетчерским пунктом для системы отопления
- 04 удобство
все фазы горения контролируются пультом управления
- 05Практичность
камера сгорания из специальных сталей и огнеупорных материалов
- 06 продуманность
пульт котла Magna управляет: основным насосом (ЦО); насосом контура ГВС; приводом трехходового смесительного клапана; насосом рециркуляции (поддержание безконденсатного режима); дымососом
-
Основные характеристики твердотопливного котла Magna
|
Рабочее давление, бар |
3,0 |
|
Тепловая мощность, Вт |
4,5-15 |
|
Температура теплоносителя в аппарате не более |
90 |
|
Коэффициент полезного действия, % |
83 |
|
Диаметр дымохода, мм |
150 |
|
Объем водяной рубашки, л |
73 |
|
Объем камеры сгорания, л |
70 |
|
Номинальное напряжение питания, В |
230 |
|
Объём зольного ящика, л |
10 |
|
Ориентировочный расход длиннопламенного угля / бурого угля, кг/ч |
2,5/3,3 |
|
Ориентировочный расход дров, кг/ч |
5,3 |
|
Вид используемого твердого топлива |
Уголь, дрова, брикеты |
|
Время работы аппарата от одной полной загрузки углем бурым при минимальной мощности, час |
12 |
|
Время работы аппарата от одной полной загрузки углем бурым при максимальной мощности, час |
33,6 |
|
Срок гарантии, мес |
12 |
|
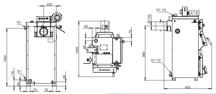
Габаритные размеры(ГхШхВ), мм |
850х660х1320 |
|
Габариты загрузочного отверстия, мм |
300х200 |
|
Материал топки |
Сталь Ст.3 СП5 |
|
Масса изделия, кг |
240 |
Схема устройства и установки

Рисунок 1. Устройство


Рисунок 2. Габаритные размеры



Рисунок 3. Схема загрузки котла дровами и древесными брикетами

Рисунок 4. Схема установки котла

Рисунок 5. Варианты установки дымовой трубы


Рисунок 6. Упрощенная схема подключения котла с узлом рециркуляции


Рисунок 7. Упрощенная схема подключения котла с гидроразделителем

Рисунок 8. Расположение органов управления и индикации на передней панели пульта

Рисунок 9. Расположение органов управления на задней панели пульта
Комплект поставки:
|
Котёл в сборе |
1 шт |
|
Колосники:
|
|
|
Шуровочный 320х113 мм
|
3 шт |
|
Наклонный 140х115 мм
|
3 шт |
|
Вставка из шамотного кирпича 110х80 мм
|
4 шт |
|
Зольный ящик |
1 шт |
|
Совок L=655 мм
|
1 шт |
|
Кочерга L=680 мм
|
1 шт |
|
Ерш для чистки теплообменника L=165 мм
|
1 шт |
|
Ручка ерша для чистки теплообменника L=500 мм |
1 шт |
|
Скребок L=725 мм
|
1 шт |
|
Вентилятор WPA-120 |
1 шт |
|
Прокладка под вентилятор
|
1 шт |
|
Шнур питания
|
1 шт |
|
Шнур подключения вентилятора
|
1 шт |
|
Предохранитель 4А/250В
|
1 шт |
|
Винт М5х20 с шайбами
|
4 шт |
|
Ручка регулировки заслонки M10x30
|
1 шт |
|
Отвертка шлицевая
|
1 шт |
|
Патрубок дымохода
|
1 шт* |
|
Тягорегулятор FR 124-3/4 А
|
1 шт* |
|
Блок ТЭН, не более 6 кВт
|
1 шт |
|
Панель управления ПУ ЭВТ-И1
|
1 шт* |
|
Кабель медный (4 мм2, длина 2 м
|
1 шт* |
|
Тара деревянная
|
1 шт |
|
Паспорт и инструкция по эксплуатации
|
1 шт |
* поставляется по отдельному заказу
Способы оплаты
- Оплата по выставленному счету на расчётный счет компании (ИП без НДС)
- Онлайн - оплата картой на сайте компании
- Оплата наличными при получении (только в Новосибирске)
- Оплата картой по эквайринговому терминалу при получении (только в Новосибирске)
- Оплата переводом с карты на карту
- Оплата на расчетный счет компании — ИП без НДС
- Оплата на расчетный счет компании — ИП с НДС
- Доставка по г. Новосибирск осуществляется БЕСПЛАТНО при заказе от 5000 руб.*
- Доставка в другие города
- Доставка до транспортной компании