Пульт управления ТЭН котла Norma Aqua
Пульт управления ТЭН котла Norma Aqua
Пульт управления «Norma AQUA» предназначен для управления работой блока ТЭН котлов «Куппер» производства компании «Теплодар». Пульт обеспечивает поддержание заданной температуры теплоносителя в диапазоне температур 20-90ºС.
Пульт управления состоит из монтажной панели и лицевой панели. На монтажной панели размещены реле магнитные термостат, выключатели, клеммная колодка, шина нулевая, колодка внешнего канала. На лицевой панели пульта выведена световая индикация, регулятор температуры.
Основные характеристики пульта управления ТЭН котла Norma Aqua
|
Габариты (ВхШхГ), мм |
258х175х92 |
|
Мощность блока ТЭН при трехфазном подключении, не более, кВт |
9 |
|
Мощность блока ТЭН при однофазном подключении, не более, кВт |
6 |
|
Количество ступеней управления/максимальная мощность одной ступени, кВт |
1-3/3,0 |
|
Номинальное напряжение, В |
230/380 |
|
Степень защиты корпуса ПУ |
IP40 |
|
Класс электробезопасности по ГОСТ 12.2.007.0-75 |
I |
|
Диапазон регулирования температуры,ºС |
20-90 |
Схема устройства и установки

Рисунок 1. Устройство

Рисунок 2. Схема размещения пульта в котельной

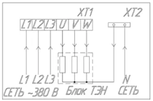
Рисунок 3. Пример трехфазного подключения

Рисунок 4. Пример однофазного подключения
Комплект поставки:
|
Пульт управления «Norma AQUA» |
1 шт |
|
Дюбель-шуруп 6х30 |
3 шт |
|
Ключ-шестигранник sw2.5 |
1 шт |
|
Заглушка |
1 шт |
|
Упаковка |
1 шт |
|
Руководство по эксплуатации |
1 шт |
Способы оплаты
- Оплата по выставленному счету на расчётный счет компании (ИП без НДС)
- Онлайн - оплата картой на сайте компании
- Оплата наличными при получении (только в Новосибирске)
- Оплата картой по эквайринговому терминалу при получении (только в Новосибирске)
- Оплата переводом с карты на карту
- Оплата на расчетный счет компании — ИП без НДС
- Оплата на расчетный счет компании — ИП с НДС
- Доставка по г. Новосибирск осуществляется БЕСПЛАТНО при заказе от 5000 руб.*
- Доставка в другие города
- Доставка до транспортной компании