Гидравлический разделитель ЕГР-120
Гидравлический разделитель ЕГР-120
Современная система отопления собирается из биметаллических радиаторов с применением полимерных или медных труб малого проходного сечения, следовательно для безопасной и безаварийной работы котла и такой системы необходимо использовать согласующее устройство — емкостной гидравлический разделитель.
ЕГР предназначены для накопления и передачи тепловой энергии при неравномерности или периодичности работы источника тепловой энергии (котла). ЕГР служит для исключения перегрева малообъёмной отопительной системы при пиковой избыточной мощности котла, а также для поддержания температуры отопительной системы при падении мощности котла.
Основные характеристики
гидравлического разделителя ЕГР-120
|
Габариты (ВхШхГ), мм |
1141х400х390 |
|
Объём теплоносителя, м3 (л) |
0,12 (120) |
|
Номинальное рабочее давление теплоносителя, МПа (бар) |
0,1 - 0,2 (1,0 - 2,0) |
|
Рабочая температура, не более, градус Цельсия |
95 |
|
Максимальное давление теплоносителя, МПа (бар) |
0,25 (2,5) |
|
Размер резьбы и количество патрубков подключения в систему отопления (внутренняя резьба) |
G 1” - 4 шт, G 1 1/2” - 2 шт |
|
Размер резьбы патрубка подключения группы безопасности или воздухоотводчика (наружная резьба) |
G 1” |
|
Размер резьбы патрубка сливного (наружная резьба) |
G 1/2” |
Схема устройства и установки

Рисунок 1. Разрез разделителя емкостного гидравлического


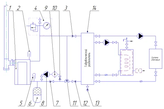
Рисунок 2. Схема закрытой системы отопления с принудительной циркуляцией через гидравлический разделитель
Комплект поставки:
|
Разделитель емкостной гидравлический |
1 шт |
|
Упаковка |
1 шт |
|
Руководство по эксплуатации |
1 шт |
Способы оплаты
- Оплата по выставленному счету на расчётный счет компании (ИП без НДС)
- Онлайн - оплата картой на сайте компании
- Оплата наличными при получении (только в Новосибирске)
- Оплата картой по эквайринговому терминалу при получении (только в Новосибирске)
- Оплата переводом с карты на карту
- Оплата на расчетный счет компании — ИП без НДС
- Оплата на расчетный счет компании — ИП с НДС
- Доставка по г. Новосибирск осуществляется БЕСПЛАТНО при заказе от 5000 руб.*
- Доставка в другие города
- Доставка до транспортной компании