Твердотопливный котел ZOTA Bulat 45 кВт
Твердотопливный котел ZOTA Bulat 45 кВт
Котел отопительный твердотопливный Bulat спроектирован для максимально длительного горения на одной загрузке. Рассчитан на сжигание угля, дров или топливных брикетов. Основная особенность котла - большой объем загружаемого топлива, за счет чего время горения на одной загрузке угля составляет до 30 часов. Достигать такой продолжительности горения позволяет шахтная конструкция топки, нижнее горение, использование шамотного кирпича для снижения скорости уходящих газов и дожига несгоревших твердых частиц.
Наибольший эффект, как по эксплуатационным параметрам так и с точки зрения экономичности процесса, можно получить, установив на любую модель котла Bulat комплект TurboSet интеллектуальный пульт управления, оснащенный тремя датчиками, управляет наддувным вентилятором. Изменяя количество подаваемого кислорода, TurboSet позволяет увеличить длительность цикла горения до 50%. Таким образом котел перейдет в класс полуавтоматических. Переоборудовать Bulat, переведя его класс автоматических котлов, можно, установив пеллетную горелку Fox. На котлы Bulat горелка устанавливается без адаптера.
Основные преимущества твердотопливного котла Bulat
- 01 корпус котла
теплоизолированный и газоплотный. Выдерживает давление до 3 атм
- 02 технологичность
Высокий КПД достигается благодаря сумме факторов: комбинированного теплообменника, наличия камеры дожига и порционного горения
- 03эффективность
Особенностям конструкции обеспечивает быстрый выход в режим номинальной мощности
- 04 удобство
Загрузка топлива через наклонную топочную дверцу, закрывающуюся на замок
- 05Практичность
Объемная топка идеально подходит для укладки дров
- 06 продуманность
Котел оснащен системой подачи вторичного воздуха, установлен термометр, измеряющий температуру подачи воды
-
Основные характеристики твердотопливного котла Bulat
|
Рабочее давление, бар |
3,0 |
|
Тепловая мощность, Вт |
12-45 |
|
Температура теплоносителя в аппарате не более |
90 |
|
Коэффициент полезного действия, % |
78 |
|
Диаметр дымохода, мм |
180 |
|
Объем теплоносителя в котле не менее, л |
99 |
|
Объем топочного пространства, л |
205 |
|
Максимальная длина дров, мм |
420 |
|
Объём зольного ящика, л |
30 |
|
Ориентировочный расход угля, кг/ч |
8,0-10,5 |
|
Ориентировочный расход дров, кг/ч |
17 |
|
Ориентировочный расход древесных брикетов, кг/ч |
12 |
|
Вид используемого твердого топлива |
Уголь, дрова, брикеты |
|
Время работы аппарата от одной полной загрузки углем длиннопламенным при минимальной мощности, час |
16,1 |
|
Время работы аппарата от одной полной загрузки углем длиннопламенным при максимальной мощности, час |
53,8 |
|
Срок гарантии, мес |
12 |
|
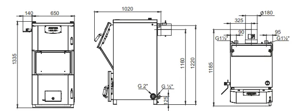
Габаритные размеры(ГхШхВ), мм |
1185х650х1335 |
|
Габариты загрузочного отверстия, мм |
530х260 |
|
Материал топки |
Сталь Ст.3 СП5 |
|
Масса изделия, кг |
305 |
Схема устройства и установки

Рисунок 1. Устройство

Рисунок 2. Габаритные размеры



Рисунок 3. Схема загрузки котла древесными брикетами, дровами и углём

Рисунок 4. Схема установки котла

Рисунок 5. Варианты установки дымовой трубы

Рисунок 6. Схема закрытой системы отопления

Рисунок 7. Схема открытой системы отопления
Комплект поставки:
|
Котёл в сборе |
1 шт |
|
Колосниковая решетка 520х200 мм |
2 шт |
|
Термоманометр
|
1 шт |
|
Зольный ящик
|
1 шт |
|
Кочерга L=1003
|
1 шт |
|
Совок L=655
|
1 шт |
|
Шамотные кирпичи (110х130)
|
5 шт |
|
Руководство по эксплуатации
|
1 шт |
|
Упаковка
|
1 шт* |
|
*Патрубок дымохода
|
1 шт |
|
*Тягорегулятор FR 124-3/4 А
|
1 шт* |
|
*Блок ТЭН не более 15 кВт
|
1 шт* |
|
*Панель управления ПУ ЭВТ-И1
|
1 шт |
|
*Кабель соединительный медный (4мм2, длина 2м)
|
1 шт* |
|
*Пеллетная горелка ZOTA «Fox»
|
1 шт* |
|
*Турбулизаторы (при использовании ZOTA Fox)
|
1 шт* |
|
*Комплект автоматики TurboSet
|
1 шт* |
* поставляется по отдельному заказу
Способы оплаты
- Оплата по выставленному счету на расчётный счет компании (ИП без НДС)
- Онлайн - оплата картой на сайте компании
- Оплата наличными при получении (только в Новосибирске)
- Оплата картой по эквайринговому терминалу при получении (только в Новосибирске)
- Оплата переводом с карты на карту
- Оплата на расчетный счет компании — ИП без НДС
- Оплата на расчетный счет компании — ИП с НДС
- Доставка по г. Новосибирск осуществляется БЕСПЛАТНО при заказе от 5000 руб.*
- Доставка в другие города
- Доставка до транспортной компании