Отопительный котел Куппер КАРБО 18 кВт (2018)
Отопительный котел Куппер КАРБО-18 (2018)
Отопительный котел Куппер КАРБО-18 (2018) - относится к серии шахтных котлов, расчитаных на использование угля в качестве основного топлива. Но, конструктивные особенности отопительных котлов линейки Куппер КАРБО позволяют эксплуатировать их с разными видами топлива.
Котлы Куппер КАРБО-18 (2018) оборудованы блоком ТЭН 3×3 кВт для нагрева от электрической энергии. Также в них возможна установка пеллетной горелки АПГ 42 НБ, которая в автоматическом режиме может точно поддерживать заданную тепловую мощность от 4 до 42 кВт.
Перегородки теплообменника – обеспечивают максимальный отбор тепла от дымовых газов. У котла Куппер КАРБО-18 (2018) имеется две перегородки, формирующих два параллельных низходящих хода.
Уникальная форма шахты исключает зависание топлива. Поверхность теплообмена обеспечивает эффективность работы котлов при любых интенсивностях горения.
Основные преимущества отопительного котла Куппер КАРБО-18 (2018)
- 01 УНИВЕРСАЛЬНОСТЬ
Помимо угля возможно периодическое применение кокса, дров и брикетов, а при установке газовой или пеллетной горелки - полный перед на газовое и пеллетное топливо.
- 02 удобство
Удобство загрузки топлива - съёмная воронка в комплекте. Удобная чистка - свободный доступ к теплообменнику. Удобное шурование топлива - система подвижных колосников
- 03эффективность
Продолжительность горения на одной закладке угля составляет 16 часов.
- 04 безопасность
Система отвода пиролизных газов при открытии дверцы во время работы, водонаполненное дно, сброс горящего топлива во время работы.
- 05Практичность
Развитая система многозональной подачи воздуха для максимального дожига топочных газов.
- 06 Продуманность
Котел оснащен блоком ТЭН, обеспечивающим поддержание температуры теплоносителя при завершении горения топлива или даже в автономном режиме электроотопления.
Основные характеристики отопительного котла Куппер КАРБО-18 (2018)
|
Номинальная мощность, кВт |
18 |
|
Отапливаемая площадь (при высоте потолка до 2.7м), не более, м² |
от 100 до 180 |
|
Максимальная температура теплоносителя на выходе, °С |
95 |
|
Габаритные размеры (ВхШхГ), мм |
862х533х770 |
|
Объем загрузочной шахты, л |
40 |
|
Масса, кг |
156 |
|
Объём рубашки теплообменника, л |
40 |
|
Теплоноситель |
вода |
|
Диаметр дымохода, мм |
150 |
|
Рабочее давление в системе, МПа (кгс/кв.см) |
0,2(2) |
|
Вид топлива |
дрова, уголь, топливные брикеты |
|
Гарантия, лет |
3 |
Схема устройства и установки
Рисунок 1. Устройство
Рисунок 2. Схема расположения котла в помещении

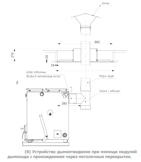
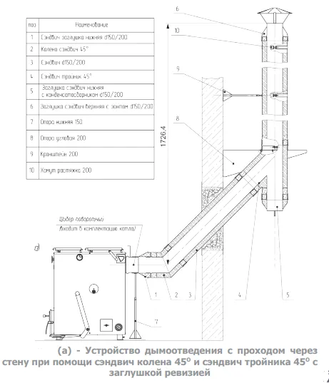
Рисунок 3. Схемы подключение котла к системе дымоотведения
Рисунок 4. Схема подключения котла к открытой системе с принудительной циркуляцией теплоносителя
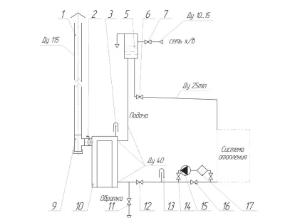
Рисунок 5. Схема подключения котла к закрытой системе с принудительной циркуляцией
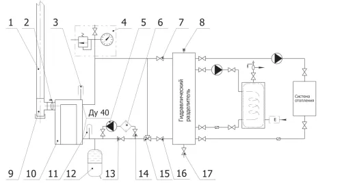
Рисунок 6. Схема подключения котла закрытой системе с принудительной циркуляцией с использованием ЕГР
Комплект поставки:
|
Котёл |
1 шт |
|
Люк загрузочный |
1 шт |
|
Люк прочистной |
1 шт |
|
Экран люка прочистного |
1 шт |
|
Лючёк прочистки |
1 шт |
|
Дверца зольника |
1 шт |
|
Колосник наклонный неподвижный |
1 шт |
|
Ящик зольника |
1 шт |
|
Колосник неподвижный |
1 шт |
|
Колосник подвижный |
1 шт |
|
Рычаг перемещения колосника |
1 шт |
|
Скребок-кочерга |
1 шт |
|
Заглушка Dу 40 G1 1/2’’ |
1 шт |
|
Заглушка Dу20 G3/4’’ |
1 шт |
|
Винт регулировки подачи воздуха |
1 шт |
|
Шибер поворотный 150 мм |
1 шт |
|
Блок ТЭН 9 кВт |
1 шт |
|
Ручка деревянная с анкером М6 |
1 шт |
|
Ручка деревянная |
1 шт |
|
Термометр G1/2’’ |
1 шт |
|
Руководство по эксплуатации |
1 шт |
|
Упаковка котла |
1 шт |
Видеообзор отопительного котла Куппер КАРБО-18 (2018)
Способы оплаты
- Оплата по выставленному счету на расчётный счет компании (ИП без НДС)
- Онлайн - оплата картой на сайте компании
- Оплата наличными при получении (только в Новосибирске)
- Оплата картой по эквайринговому терминалу при получении (только в Новосибирске)
- Оплата переводом с карты на карту
- Оплата на расчетный счет компании — ИП без НДС
- Оплата на расчетный счет компании — ИП с НДС
- Доставка по г. Новосибирск осуществляется БЕСПЛАТНО при заказе от 5000 руб.*
- Доставка в другие города
- Доставка до транспортной компании
