Твердотопливный котел ZOTA Lava 13 кВт

Твердотопливный котел ZOTA Lava-13
Твердотопливный котел ZOTA Lava предназначен для теплоснабжения индивидуальных жилых домов и зданий коммунально-бытового назначения, оборудованных системой водяного отопления с принудительной или естественной циркуляцией, горячего водоснабжения с помощью бака косвенного нагрева, в открытых и закрытых системах отопления с максимально допустимой температурой теплоносителя 90°C и максимально допустимым давлением 0,3 МПа.
В аппарате предусмотрена возможность установки нагревательного элемента (блока ТЭН). Котёл должен устанавливаться в закрытом помещении, оборудованном приточно-вытяжной вентиляцией. Система вентиляции должна учитывать индивидуальные особенности помещения котельной и обеспечивать нормальную работу аппарата. Главное отличие шуровочный механизм из нержавеющей стали AISI321 для очистки колосников позволяет использовать спекающиеся сорта угля и угли с высокой зольностью
Основные преимущества твердотопливного котла Lava
- 01 объемность
большой зольный ящик, объемная топка идеально подходит для укладки дров
- 02 технологичность
водонаполненные колосники
- 03эффективность
работа на одной загрузке угля в длительном режиме до 20 часов
- 04 удобство
большой объем загружаемого топлива
- 05Практичность
корпус котла теплоизолированный и газоплотный
- 06 продуманность
загрузка топлива через наклонную топочную дверцу, закрывающуюся на замок
-
Основные характеристики твердотопливного котла Lava
|
Рабочее давление, бар |
3,0 |
|
Тепловая мощность, Вт |
4-13 |
|
Температура теплоносителя в аппарате не более |
90 |
|
Коэффициент полезного действия, % |
75 |
|
Диаметр дымохода, мм |
150 |
|
Объем теплоносителя в аппарате не менее, л |
30 |
|
Объем топочного пространства, л |
46 |
|
Максимальная длина полена, мм |
396 |
|
Объём зольного ящика, л |
7 |
|
Вид используемого твердого топлива |
Уголь, дрова, брикеты |
|
Время работы аппарата от одной полной загрузки углём бурым не более, час |
6,0/21 |
|
Время работы аппарата от одной полной загрузки углём длиннопламенным не более, час |
7,0/24 |
|
Срок гарантии, мес |
12 |
|
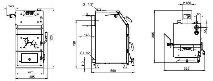
Габаритные размеры(ГхШхВ), мм |
805х490х920 |
|
Габариты загрузочной дверцы, мм |
310х195 |
|
Материал топки |
Сталь Ст.3 СП5 |
|
Масса изделия, кг |
130 |
Схема устройства и установки

Рисунок 1. Устройство

Рисунок 2. Габаритные размеры

Рисунок 3. Заполнение котла топливом для номинального режима

Рисунок 4. Заполнение котла топливом для режима длительного горения

Рисунок 5. Варианты установки дымовой трубы

Рисунок 6. Схема закрытой системы отопления

Рисунок 7. Схема открытой системы отопления

Рисунок 8. Схема установки котла
Комплект поставки:
|
Котёл в сборе |
1 шт |
|
Зольный ящик |
1 шт |
|
Кочерга L=533 мм |
1 шт |
|
Совок L=505 мм |
1 шт |
|
Руководство по эксплуатации |
1 шт |
|
Упаковка |
1 шт |
|
Термометр
|
1 шт |
|
*Патрубок дымохода
|
1 шт* |
|
*Тягорегулятор FR 124-3/4 А
|
1 шт* |
|
*Блок ТЭН, кВт не более 9 кВт
|
1 шт* |
|
*Панель управления ПУ ЭВТ-И1
|
1 шт* |
|
*Кабель соединительный медный (4мм2, длина 2м)
|
1 шт* |
|
*Комплект автоматики TurboSet
|
1 шт* |
* поставляется по отдельному заказу
Способы оплаты
- Оплата по выставленному счету на расчётный счет компании (ИП без НДС)
- Онлайн - оплата картой на сайте компании
- Оплата наличными при получении (только в Новосибирске)
- Оплата картой по эквайринговому терминалу при получении (только в Новосибирске)
- Оплата переводом с карты на карту
- Оплата на расчетный счет компании — ИП без НДС
- Оплата на расчетный счет компании — ИП с НДС
- Доставка по г. Новосибирск осуществляется БЕСПЛАТНО при заказе от 5000 руб.*
- Доставка в другие города
- Доставка до транспортной компании