Твердотопливный котел ZOTA Сarbon 15 кВт
Твердотопливный котел ZOTA Сarbon-15
Твердотопливный котел ZOTA Carbon предназначен для теплоснабжения жилых домов и зданий коммунально-бытового назначения, оборудованных индивидуальными системами водяного отопления с естественной или принудительной циркуляцией, в открытых и закрытых системах отопления. Основным топливом являются следующие виды угля: бурый уголь марки «3Б-ОМ» с влажностью ниже 30% и каменный уголь марки «ДО», не обладающий свойствами спекания. Размер фракции угля 10-50 мм. Можно топить котел топливными брикетами из бурых и каменных углей соответствующего размера.
В аппарате предусмотрена возможность установки нагревательного элемента (блока ТЭН). Котёл должен устанавливаться в закрытом помещении, оборудованном приточно-вытяжной вентиляцией. Система вентиляции должна учитывать индивидуальные особенности помещения котельной и обеспечивать нормальную работу аппарата.
Основные преимущества твердотопливного котла Carbon
- 01 два режима работы
«Розжиг» и «Горение». Благодаря подвижной заслонке в теплообменнике обеспечивается быстрый розжиг котла, усиленная тяга и выход его на номинальную мощность
- 02 технологичность
В конструкции используются шамотные кирпичи. Развивая высокую температуру, они дополнительно дожигают частицы топлива, попадающие на их поверхность. Благодаря этому на стенках котла собирается меньше сажи
- 03эффективность
Теплообменник состоит из трех контуров. Данная конструкция позволяет эффективно снять тепло с проходящих дымовых газов и увеличить КПД котла
- 04 удобство
Уголь загружается в камеру сгорания через люк, расположенный сверху. Большое сечение загрузочного люка позволяет удобно загружать топливо без просыпания
- 05Практичность
Водяная рубашка располагается по всему контуру котла, в том числе и под зольником. Конструкция охлаждает зольный ящик, не дает ему деформироваться, обеспечивает дополнительный теплосъем и улучшенную циркуляцию теплоносителя
- 06 продуманность
Зола в камере горения удаляется шуровочным механизмом
-
Основные характеристики твердотопливного котла Carbon
|
Рабочее давление, бар |
3,0 |
|
Тепловая мощность, Вт |
5-15 |
|
Температура теплоносителя в аппарате не более |
65-90 |
|
Коэффициент полезного действия, % |
80 |
|
Диаметр дымохода, мм |
150 |
|
Объем водяной рубашки, л |
48 |
|
Объем камеры сгорания, л |
22 |
|
Объём зольного ящика, л |
7 |
|
Ориентировочный расход угля, кг/ч |
4,3 |
|
Вид используемого твердого топлива |
Уголь, угольные брикеты |
|
Время работы аппарата от одной полной загрузки при минимальной мощности, час |
5,1 |
|
Время работы аппарата от одной полной загрузки при максимальной мощности, час |
17,1 |
|
Срок гарантии, мес |
12 |
|
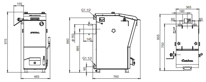
Габаритные размеры(ГхШхВ), мм |
935х465х970 |
|
Габариты загрузочной дверцы, мм |
205х245 |
|
Материал топки |
Сталь Ст.3 СП5 |
|
Масса изделия, кг |
152 |
Схема устройства и установки

Рисунок 1. Устройство

Рисунок 2. Габаритные размеры

Рисунок 3. Максимальное заполнение котла

Рисунок 4. Схема установки шамотных кирпичей

Рисунок 5. Варианты установки дымовой трубы

Рисунок 6. Схема закрытой системы отопления

Рисунок 7. Схема открытой системы отопления

Рисунок 8. Схема установки котла
Комплект поставки:
|
Котёл в сборе |
1 шт |
|
Тягорегулятор FR 124-3/4 А |
1 шт |
|
Колосники: |
|
|
Шуровочный (220х113) |
2 шт |
|
- Наклонный (140х115) |
2 шт |
|
Кирпичи: |
|
|
Шамотный (110х80)
|
2 шт |
|
Шамотный (110х230)
|
2 шт |
|
Ось колосниковой решетки
|
1 шт |
|
Зольный ящик
|
1 шт |
|
Совок L=655
|
1 шт |
|
Скребок L=677
|
1 шт |
|
Кочерга L=680
|
1 шт |
|
Руководство по эксплуатации
|
1 шт |
|
Упаковка
|
1 шт* |
|
*Патрубок дымохода
|
1 шт |
|
*Блок ТЭН не более 6 кВт
|
1 шт* |
|
*Панель управления ПУ ЭВТ-И1
|
1 шт |
|
*Кабель соединительный медный (4мм2, длина 2м)
|
1 шт* |
* поставляется по отдельному заказу
Способы оплаты
- Оплата по выставленному счету на расчётный счет компании (ИП без НДС)
- Онлайн - оплата картой на сайте компании
- Оплата наличными при получении (только в Новосибирске)
- Оплата картой по эквайринговому терминалу при получении (только в Новосибирске)
- Оплата переводом с карты на карту
- Оплата на расчетный счет компании — ИП без НДС
- Оплата на расчетный счет компании — ИП с НДС
- Доставка по г. Новосибирск осуществляется БЕСПЛАТНО при заказе от 5000 руб.*
- Доставка в другие города
- Доставка до транспортной компании